LEMON Manuals: Even more car manuals for everyone: 1960-2025
Home >> Lexus >> 2006 >> RX 400h FWD >> Repair and Diagnosis >> Electrical >> Body Electrical >> OEM System Circuits >> Interior Light >> Notes
April 5, 2026: LEMON Manuals is launched! Read the announcement.

Interior Light: Notes

Fig 1: Interior Light Wiring Diagram (1 Of 8)
G08914769Courtesy of © TOYOTA, LICENSE AGREEMENT TMS1002
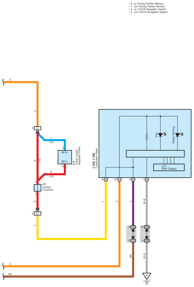
Fig 2: Interior Light Wiring Diagram (2 Of 8)
G08914770Courtesy of © TOYOTA, LICENSE AGREEMENT TMS1002
Fig 3: Interior Light Wiring Diagram (3 Of 8)
G08914771Courtesy of © TOYOTA, LICENSE AGREEMENT TMS1002
Fig 4: Interior Light Wiring Diagram (4 Of 8)
G08914772Courtesy of © TOYOTA, LICENSE AGREEMENT TMS1002
Fig 5: Interior Light Wiring Diagram (5 Of 8)
G08914773Courtesy of © TOYOTA, LICENSE AGREEMENT TMS1002
Fig 6: Interior Light Wiring Diagram (6 Of 8)
G08914774Courtesy of © TOYOTA, LICENSE AGREEMENT TMS1002
Fig 7: Interior Light Wiring Diagram (7 Of 8)
G08914775Courtesy of © TOYOTA, LICENSE AGREEMENT TMS1002
Fig 8: Interior Light Wiring Diagram (8 Of 8)
G08914776Courtesy of © TOYOTA, LICENSE AGREEMENT TMS1002