LEMON Manuals: Even more car manuals for everyone: 1960-2025
Home >> Lexus >> 2006 >> RX 400h FWD >> Repair and Diagnosis >> Electrical >> Body Electrical >> OEM System Circuits >> Wireless Door Lock Control >> Notes
April 5, 2026: LEMON Manuals is launched! Read the announcement.

Wireless Door Lock Control: Notes

Fig 1: Wireless Door Lock Control Wiring Diagram (1 Of 10)
G08914822Courtesy of © TOYOTA, LICENSE AGREEMENT TMS1002
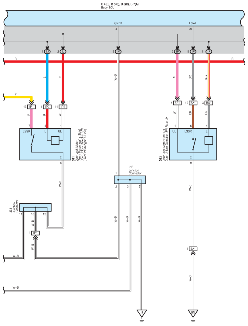
Fig 2: Wireless Door Lock Control Wiring Diagram (2 Of 10)
G08914823Courtesy of © TOYOTA, LICENSE AGREEMENT TMS1002
Fig 3: Wireless Door Lock Control Wiring Diagram (3 Of 10)
G08914824Courtesy of © TOYOTA, LICENSE AGREEMENT TMS1002
Fig 4: Wireless Door Lock Control Wiring Diagram (4 Of 10)
G08914825Courtesy of © TOYOTA, LICENSE AGREEMENT TMS1002
Fig 5: Wireless Door Lock Control Wiring Diagram (5 Of 10)
G08914826Courtesy of © TOYOTA, LICENSE AGREEMENT TMS1002
Fig 6: Wireless Door Lock Control Wiring Diagram (6 Of 10)
G08914827Courtesy of © TOYOTA, LICENSE AGREEMENT TMS1002
Fig 7: Wireless Door Lock Control Wiring Diagram (7 Of 10)
G08914828Courtesy of © TOYOTA, LICENSE AGREEMENT TMS1002
Fig 8: Wireless Door Lock Control Wiring Diagram (8 Of 10)
G08914829Courtesy of © TOYOTA, LICENSE AGREEMENT TMS1002
Fig 9: Wireless Door Lock Control Wiring Diagram (9 Of 10)
G08914830Courtesy of © TOYOTA, LICENSE AGREEMENT TMS1002
Fig 10: Wireless Door Lock Control Wiring Diagram (10 Of 10)
G08914831Courtesy of © TOYOTA, LICENSE AGREEMENT TMS1002