LEMON Manuals: Even more car manuals for everyone: 1960-2025
Home >> Lexus >> 2006 >> SC 430 >> Repair and Diagnosis >> Accessories & Equipment >> Infotainment >> LEXUS Navigation System - Diagnostics >> Power Source Circuit (Multi-Display) >> Wiring Diagram
April 5, 2026: LEMON Manuals is launched! Read the announcement.

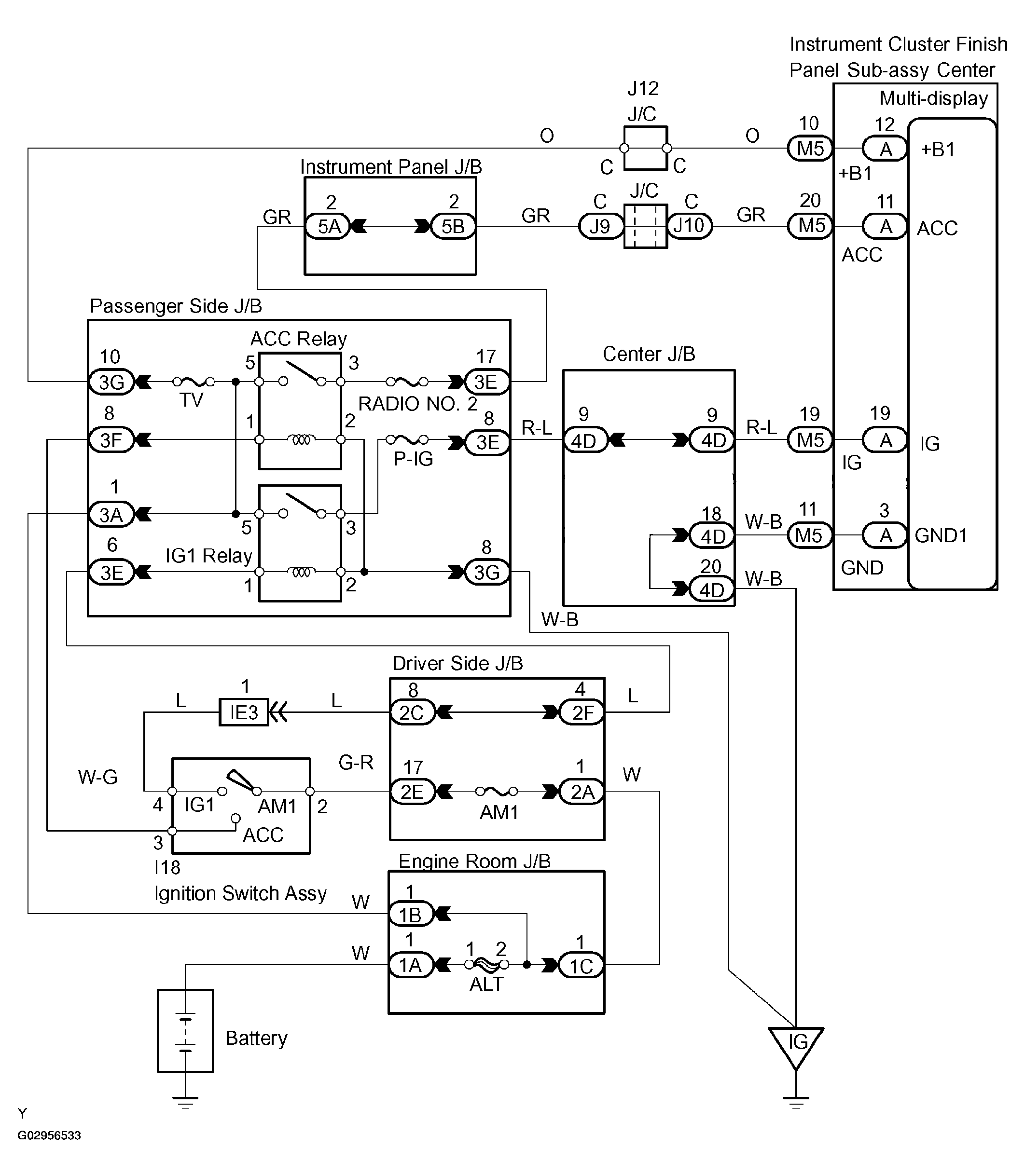
Power Source Circuit (Multi-Display): Wiring Diagram

Fig 1: Power Source Circuit (Multi-Display) Wiring Diagram
G02956533Courtesy of © TOYOTA, LICENSE AGREEMENT TMS1002