LEMON Manuals: Even more car manuals for everyone: 1960-2025
Home >> Lexus >> 2006 >> SC 430 >> Repair and Diagnosis >> Electrical >> Body Electrical >> OEM System Circuits >> Engine Control >> Notes
April 5, 2026: LEMON Manuals is launched! Read the announcement.

Engine Control: Notes

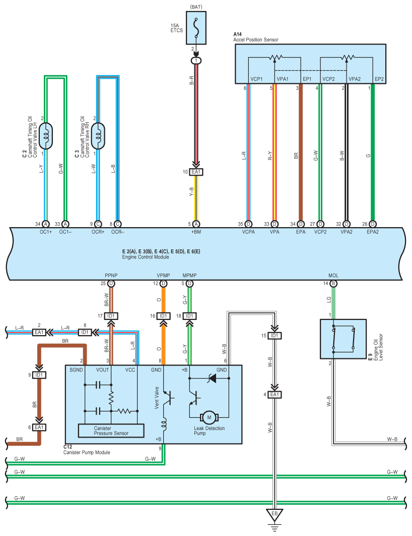
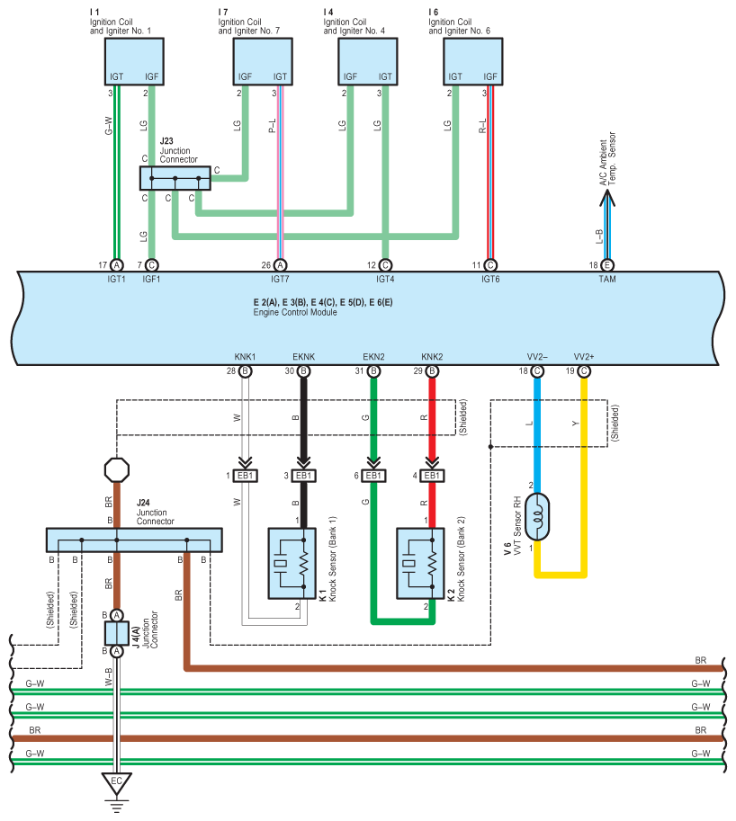
Fig 1: Engine Control - Wiring Diagram (1 Of 9)
G08930413Courtesy of © TOYOTA, LICENSE AGREEMENT TMS1002
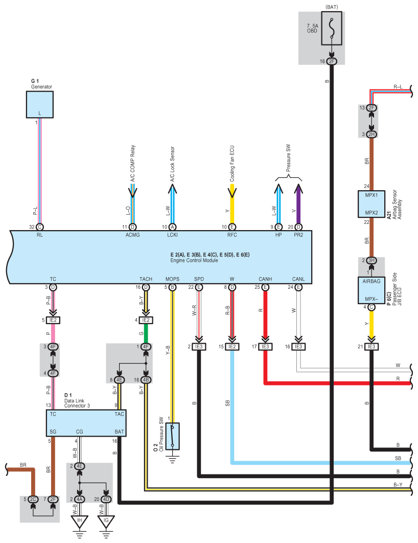
Fig 2: Engine Control - Wiring Diagram (2 Of 9)
G08930414Courtesy of © TOYOTA, LICENSE AGREEMENT TMS1002
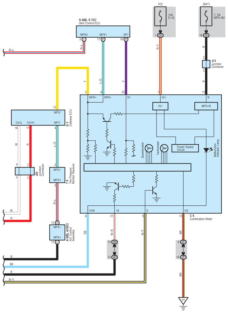
Fig 3: Engine Control - Wiring Diagram (3 Of 9)
G08930415Courtesy of © TOYOTA, LICENSE AGREEMENT TMS1002
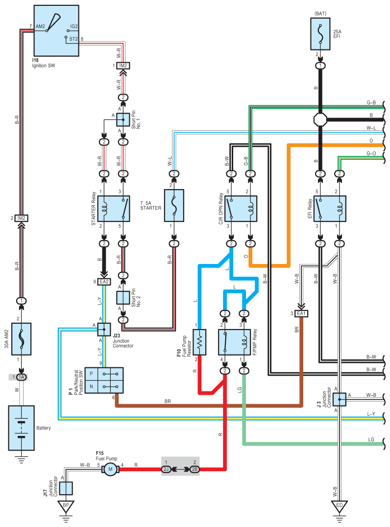
Fig 4: Engine Control - Wiring Diagram (4 Of 9)
G08930416Courtesy of © TOYOTA, LICENSE AGREEMENT TMS1002
Fig 5: Engine Control - Wiring Diagram (5 Of 9)
G08930417Courtesy of © TOYOTA, LICENSE AGREEMENT TMS1002
Fig 6: Engine Control - Wiring Diagram (6 Of 9)
G08930418Courtesy of © TOYOTA, LICENSE AGREEMENT TMS1002
Fig 7: Engine Control - Wiring Diagram (7 Of 9)
G08930419Courtesy of © TOYOTA, LICENSE AGREEMENT TMS1002
Fig 8: Engine Control - Wiring Diagram (8 Of 9)
G08930420Courtesy of © TOYOTA, LICENSE AGREEMENT TMS1002
Fig 9: Engine Control - Wiring Diagram (9 Of 9)
G08930421Courtesy of © TOYOTA, LICENSE AGREEMENT TMS1002