LEMON Manuals: Even more car manuals for everyone: 1960-2025
Home >> Lexus >> 2006 >> SC 430 >> Repair and Diagnosis >> Electrical >> Body Electrical >> OEM System Circuits >> Retractable Hardtop >> Notes
April 5, 2026: LEMON Manuals is launched! Read the announcement.

Retractable Hardtop: Notes

Fig 1: Retractable Hardtop - Wiring Diagram (1 Of 7)
G08930495Courtesy of © TOYOTA, LICENSE AGREEMENT TMS1002
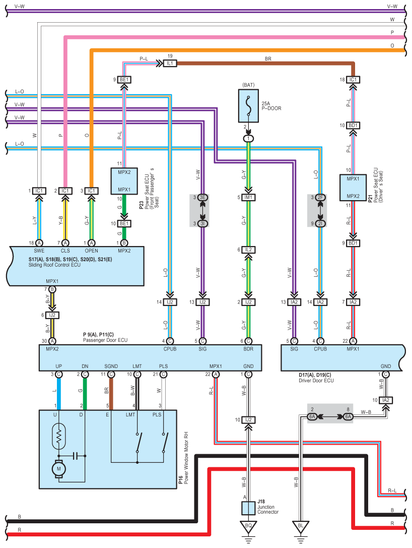
Fig 2: Retractable Hardtop - Wiring Diagram (2 Of 7)
G08930496Courtesy of © TOYOTA, LICENSE AGREEMENT TMS1002
Fig 3: Retractable Hardtop - Wiring Diagram (3 Of 7)
G08930497Courtesy of © TOYOTA, LICENSE AGREEMENT TMS1002
Fig 4: Retractable Hardtop - Wiring Diagram (4 Of 7)
G08930498Courtesy of © TOYOTA, LICENSE AGREEMENT TMS1002
Fig 5: Retractable Hardtop - Wiring Diagram (5 Of 7)
G08930499Courtesy of © TOYOTA, LICENSE AGREEMENT TMS1002
Fig 6: Retractable Hardtop - Wiring Diagram (6 Of 7)
G08930500Courtesy of © TOYOTA, LICENSE AGREEMENT TMS1002
Fig 7: Retractable Hardtop - Wiring Diagram (7 Of 7)
G08930501Courtesy of © TOYOTA, LICENSE AGREEMENT TMS1002