LEMON Manuals: Even more car manuals for everyone: 1960-2025
Home >> Lexus >> 2006 >> SC 430 >> Repair and Diagnosis >> Electrical >> Body Electrical >> OEM System Circuits >> Theft Deterrent and Door Lock Control >> Notes
April 5, 2026: LEMON Manuals is launched! Read the announcement.

Theft Deterrent and Door Lock Control: Notes

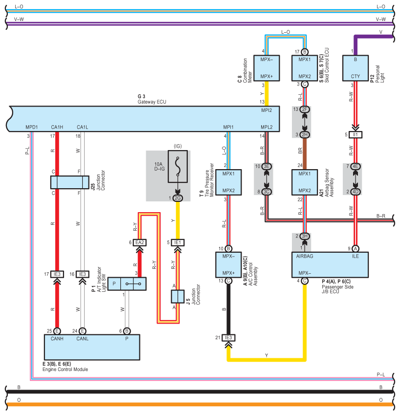
Fig 1: Theft Deterrent And Door Lock Control - Wiring Diagram (1 Of 6)
G08930481Courtesy of © TOYOTA, LICENSE AGREEMENT TMS1002
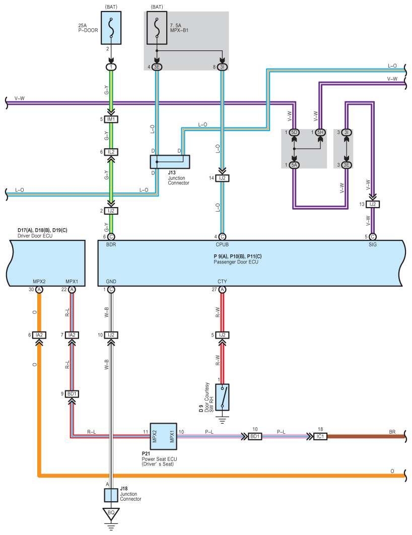
Fig 2: Theft Deterrent And Door Lock Control - Wiring Diagram (2 Of 6)
G08930482Courtesy of © TOYOTA, LICENSE AGREEMENT TMS1002
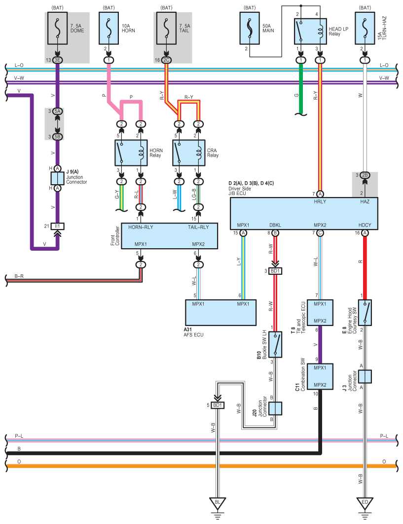
Fig 3: Theft Deterrent And Door Lock Control - Wiring Diagram (3 Of 6)
G08930483Courtesy of © TOYOTA, LICENSE AGREEMENT TMS1002
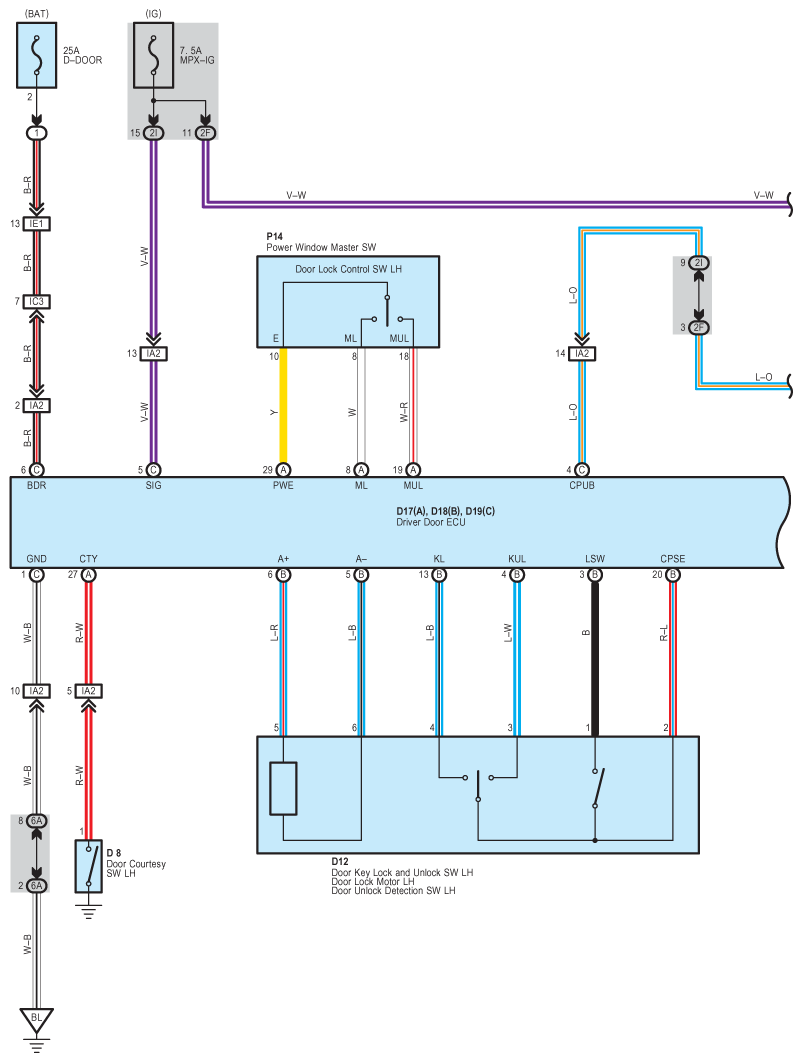
Fig 4: Theft Deterrent And Door Lock Control - Wiring Diagram (4 Of 6)
G08930484Courtesy of © TOYOTA, LICENSE AGREEMENT TMS1002
Fig 5: Theft Deterrent And Door Lock Control - Wiring Diagram (5 Of 6)
G08930485Courtesy of © TOYOTA, LICENSE AGREEMENT TMS1002
Fig 6: Theft Deterrent And Door Lock Control - Wiring Diagram (6 Of 6)
G08930486Courtesy of © TOYOTA, LICENSE AGREEMENT TMS1002