LEMON Manuals: Even more car manuals for everyone: 1960-2025
Home >> Lexus >> 2006 >> SC 430 >> Repair and Diagnosis >> Electrical >> Body Electrical >> OEM System Circuits >> Wireless Door Lock Control >> Notes
April 5, 2026: LEMON Manuals is launched! Read the announcement.

Wireless Door Lock Control: Notes

Fig 1: Wireless Door Lock Control - Wiring Diagram (1 Of 4)
G08930487Courtesy of © TOYOTA, LICENSE AGREEMENT TMS1002
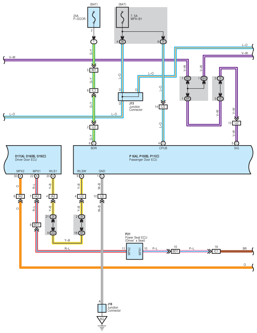
Fig 2: Wireless Door Lock Control - Wiring Diagram (2 Of 4)
G08930488Courtesy of © TOYOTA, LICENSE AGREEMENT TMS1002
Fig 3: Wireless Door Lock Control - Wiring Diagram (3 Of 4)
G08930489Courtesy of © TOYOTA, LICENSE AGREEMENT TMS1002
Fig 4: Wireless Door Lock Control - Wiring Diagram (4 Of 4)
G08930490Courtesy of © TOYOTA, LICENSE AGREEMENT TMS1002