LEMON Manuals
: Even more car manuals for everyone: 1960-2025
Home
>>
Lexus
>>
2006
>>
SC 430
>>
Repair and Diagnosis
>>
Engine Performance
>>
Fuel Delivery
>>
Fuel
>>
Fuel System
>>
System Diagram
April 5, 2026:
LEMON Manuals is launched!
Read the announcement.
System Diagram
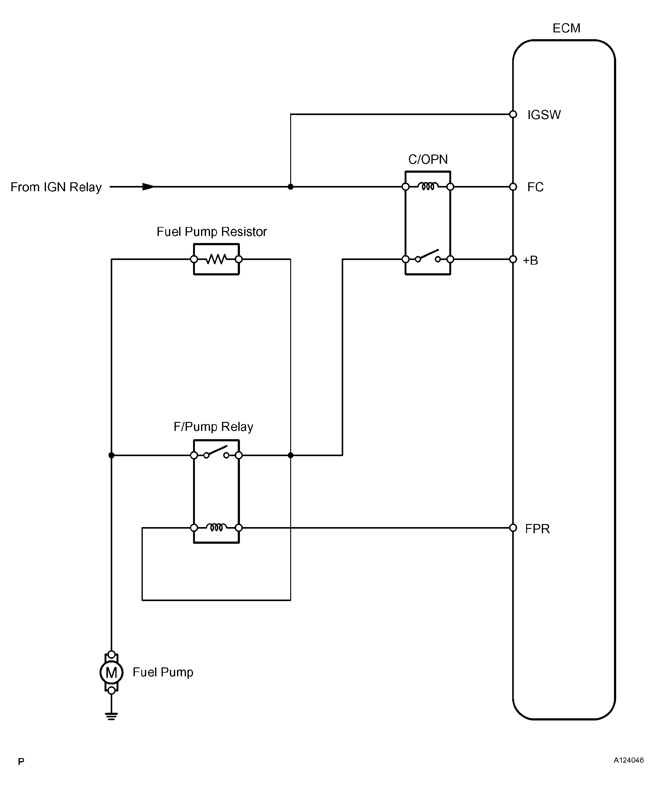
Fig 1: Fuel System Diagram (1 Of 3)
Courtesy of © TOYOTA, LICENSE AGREEMENT TMS1002
The fuel system is controlled by the ECM based on signals from various sensors.
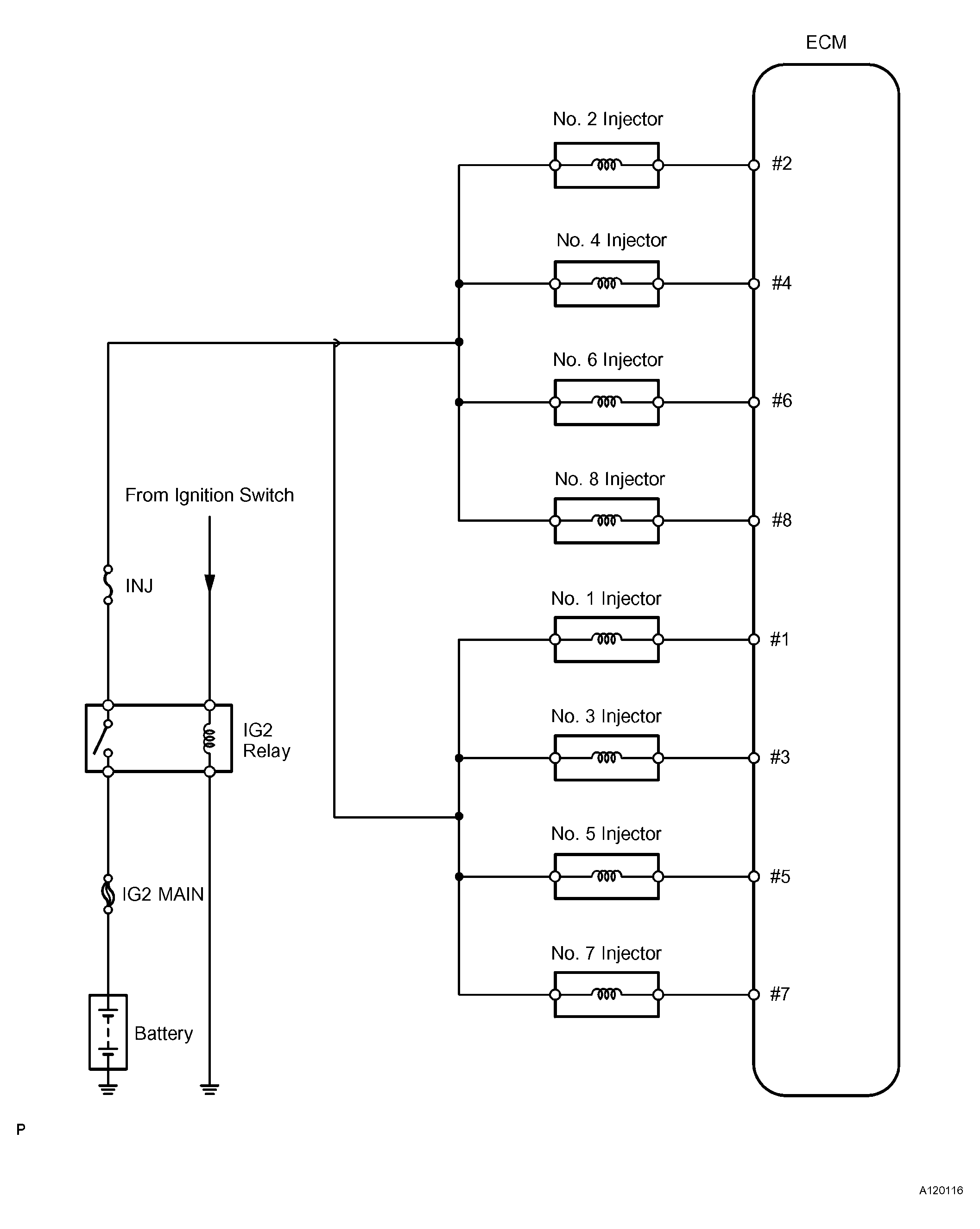
Fig 2: Fuel System Diagram (2 Of 3)
Courtesy of © TOYOTA, LICENSE AGREEMENT TMS1002
Fig 3: Fuel System Diagram (3 Of 3)
Courtesy of © TOYOTA, LICENSE AGREEMENT TMS1002