LEMON Manuals: Even more car manuals for everyone: 1960-2025
Home >> Lexus >> 2006 >> SC 430 >> Repair and Diagnosis >> Engine Performance >> System >> SFI System - Diagnostics >> System Diagram
April 5, 2026: LEMON Manuals is launched! Read the announcement.

System Diagram

Fig 1: SFI System Diagram Components (1 Of 3)
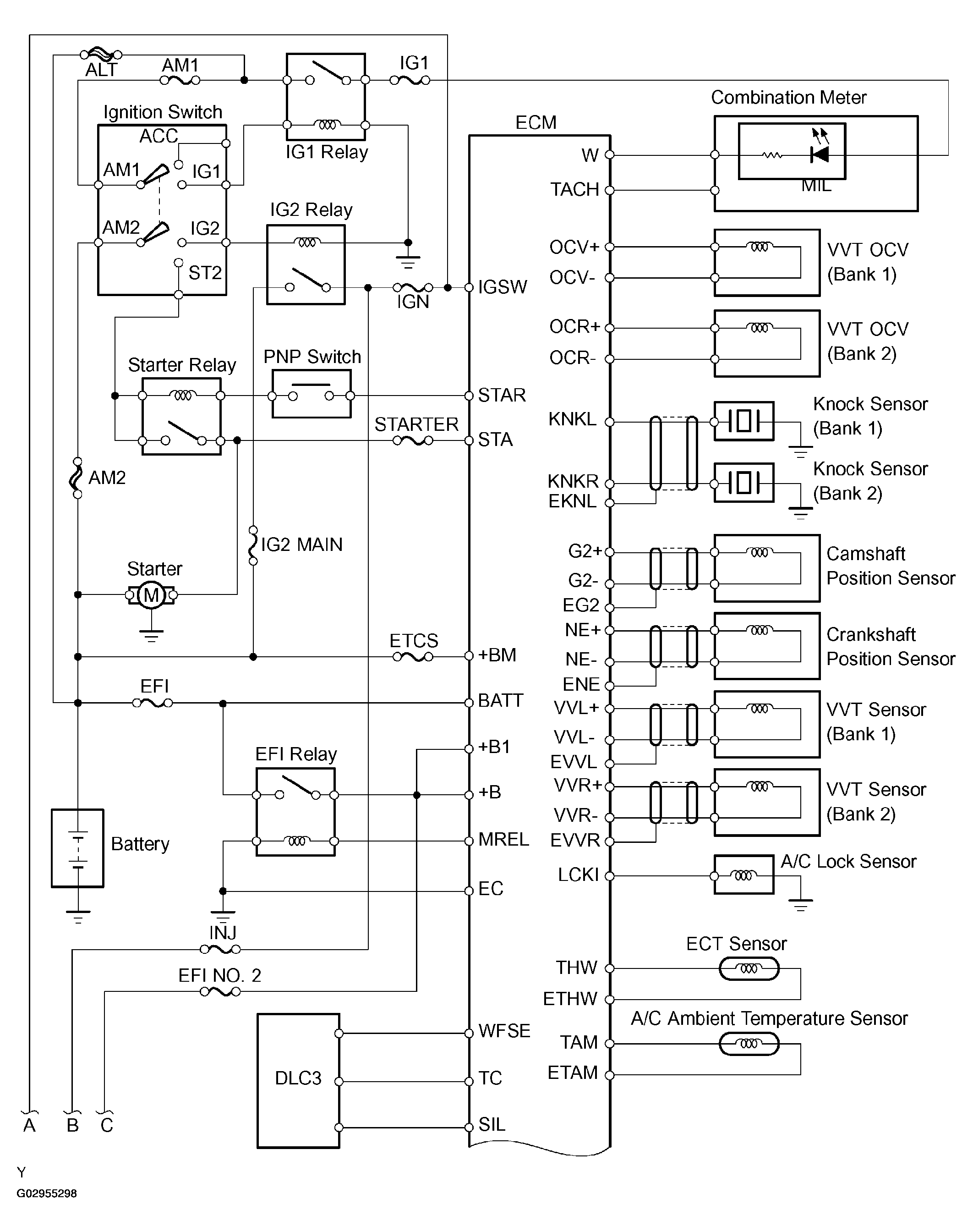
G02955298Courtesy of © TOYOTA, LICENSE AGREEMENT TMS1002
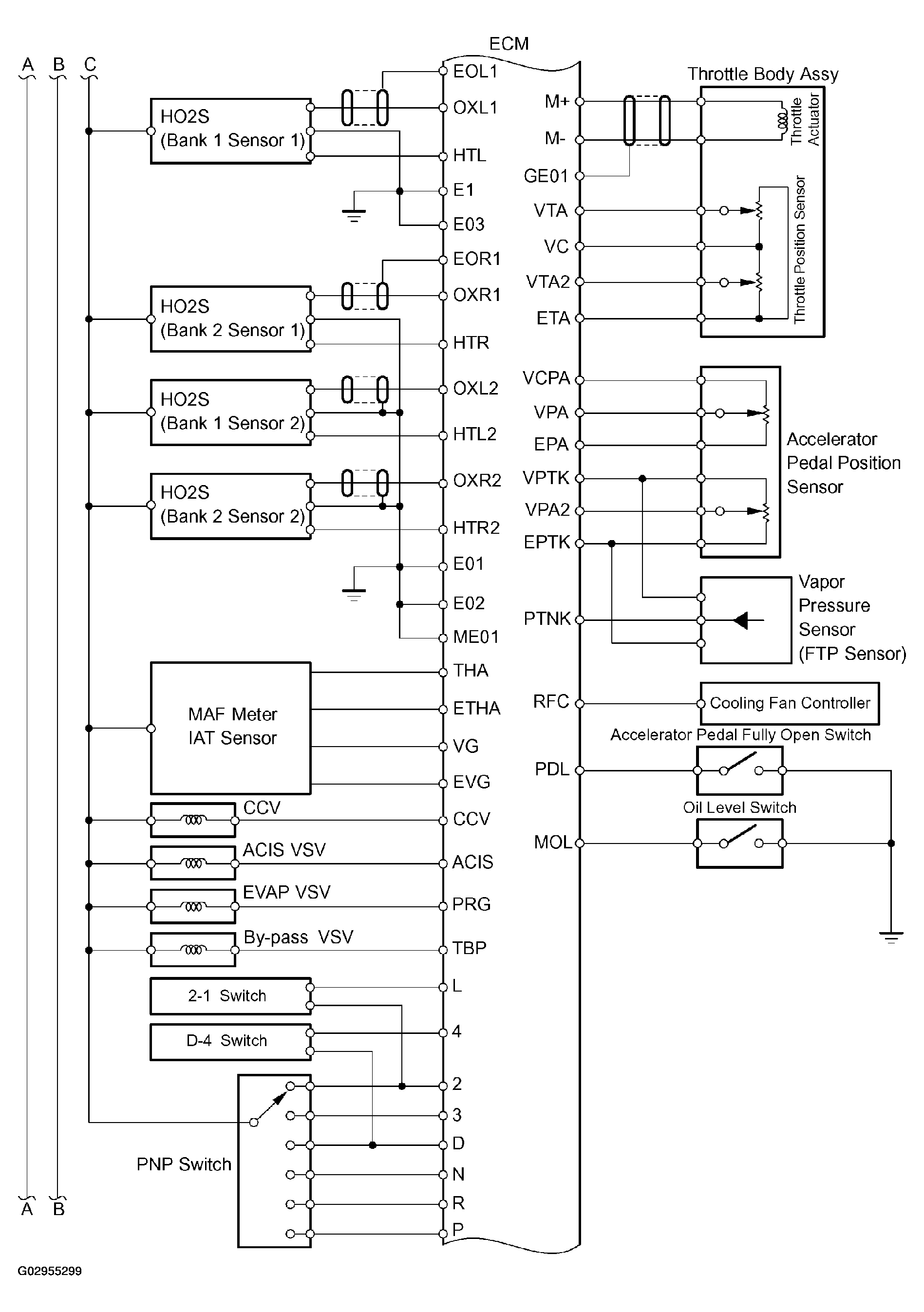
Fig 2: SFI System Diagram Components (2 Of 3)
G02955299Courtesy of © TOYOTA, LICENSE AGREEMENT TMS1002
Fig 3: SFI System Diagram Components (3 Of 3)
G02955300Courtesy of © TOYOTA, LICENSE AGREEMENT TMS1002