LEMON Manuals: Even more car manuals for everyone: 1960-2025
Home >> Lexus >> 2006 >> SC 430 >> Repair and Diagnosis >> Transmission >> Automatic Trans >> Automatic Transmission >> Shift Lock System >> System Diagram
April 5, 2026: LEMON Manuals is launched! Read the announcement.

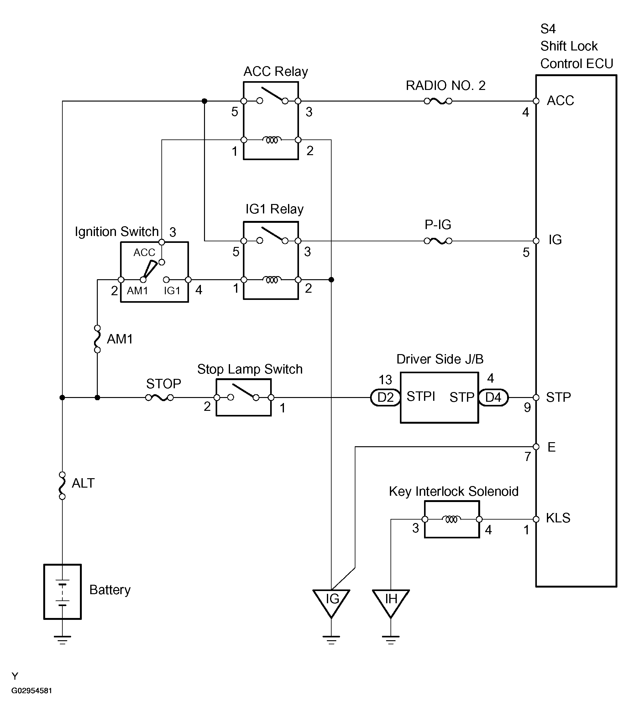
System Diagram

Fig 1: Shift Lock System Diagram
G02954581Courtesy of © TOYOTA, LICENSE AGREEMENT TMS1002