LEMON Manuals: Even more car manuals for everyone: 1960-2025
Home >> Lexus >> 2008 >> ES 350 >> Repair and Diagnosis >> Electrical >> Body Electrical >> OEM System Circuits >> Rear Sunshade >> Notes
April 5, 2026: LEMON Manuals is launched! Read the announcement.

Rear Sunshade: Notes

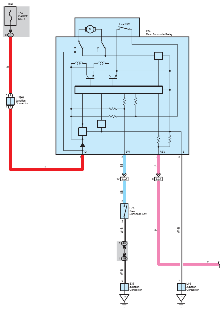
Fig 1: Rear Sunshade - Circuit Diagram (1 Of 3)
G07619258Courtesy of © TOYOTA, LICENSE AGREEMENT TMS1002
Fig 2: Rear Sunshade - Circuit Diagram (2 Of 3)
G07619259Courtesy of © TOYOTA, LICENSE AGREEMENT TMS1002
Fig 3: Rear Sunshade - Circuit Diagram (3 Of 3)
G07619260Courtesy of © TOYOTA, LICENSE AGREEMENT TMS1002