LEMON Manuals: Even more car manuals for everyone: 1960-2025
Home >> Lexus >> 2008 >> ES 350 >> Repair and Diagnosis >> Engine Mechanical >> Mechanical >> Intake System >> Intake Air Control System >> System Diagram
April 5, 2026: LEMON Manuals is launched! Read the announcement.

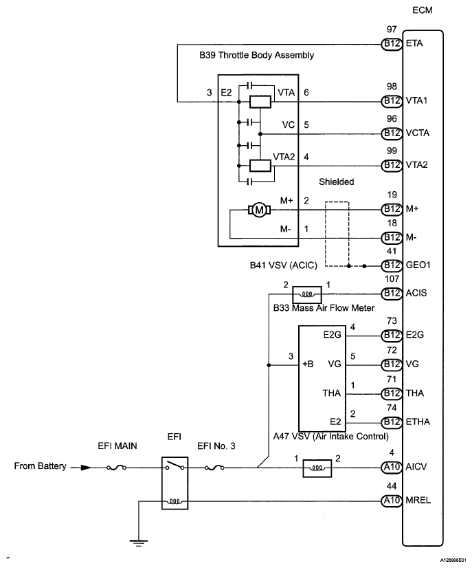
System Diagram

Fig 1: Intake Air Control System Diagram
G05248629Courtesy of © TOYOTA, LICENSE AGREEMENT TMS1002