LEMON Manuals: Even more car manuals for everyone: 1960-2025
Home >> Lexus >> 2008 >> ES 350 >> Repair and Diagnosis >> Engine Performance >> System >> Engine Control System - System & Component Testing, Removal, Inspection & Installation >> Fuel Pump Control Circuit >> Wiring Diagram
April 5, 2026: LEMON Manuals is launched! Read the announcement.

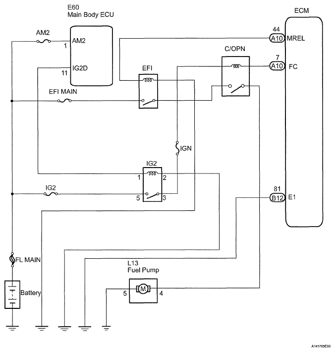
Fuel Pump Control Circuit: Wiring Diagram

Fig 1: Fuel Pump - Wiring Diagram
G05835577Courtesy of © TOYOTA, LICENSE AGREEMENT TMS1002