LEMON Manuals: Even more car manuals for everyone: 1960-2025
Home >> Lexus >> 2008 >> ES 350 >> Repair and Diagnosis >> External Pages >> Different car >> Section 77 (Starting) >> Smart Access System With Push-Button Start >> Power Source Mode does not Change to ON (IG) >> Wiring Diagram
April 5, 2026: LEMON Manuals is launched! Read the announcement.

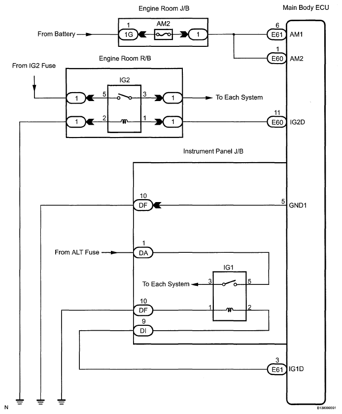
Power Source Mode does not Change to ON (IG): Wiring Diagram

WARNING: This page is about a different car, the 2007 Lexus ES 350. However, it is still accessible from the selected car via links, so may be relevant.
Fig 1: Engine Switch - Wiring Diagram
G05248895Courtesy of © TOYOTA, LICENSE AGREEMENT TMS1002