LEMON Manuals: Even more car manuals for everyone: 1960-2025
Home >> Lexus >> 2008 >> GS 350 AWD >> Repair and Diagnosis >> Engine Performance >> System >> Engine Control System - SFI System Precaution, Troubleshooting Introduction, Symptoms Table & Diagnostic Trouble Code Chart >> SFI System >> System Diagram
April 5, 2026: LEMON Manuals is launched! Read the announcement.

System Diagram

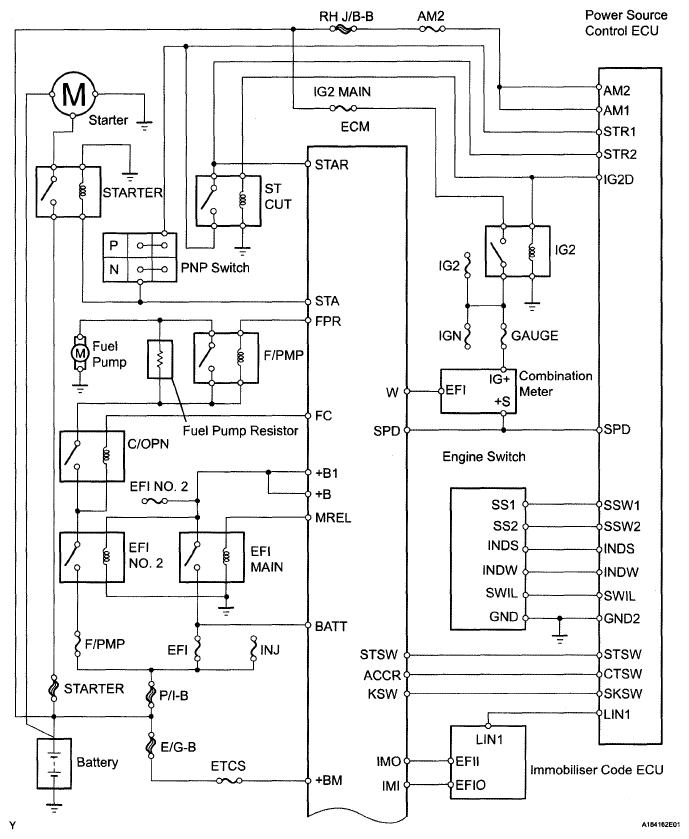
Fig 1: 2Gr-Fse Engine Control System Diagram (1 Of 6)
G05803170Courtesy of © TOYOTA, LICENSE AGREEMENT TMS1002
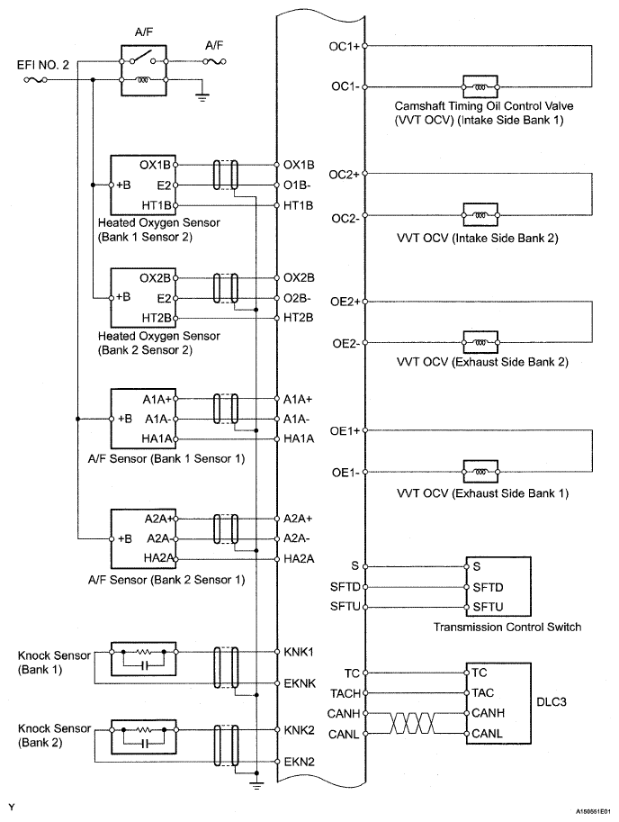
Fig 2: 2Gr-Fse Engine Control System Diagram (2 Of 6)
G05285016Courtesy of © TOYOTA, LICENSE AGREEMENT TMS1002
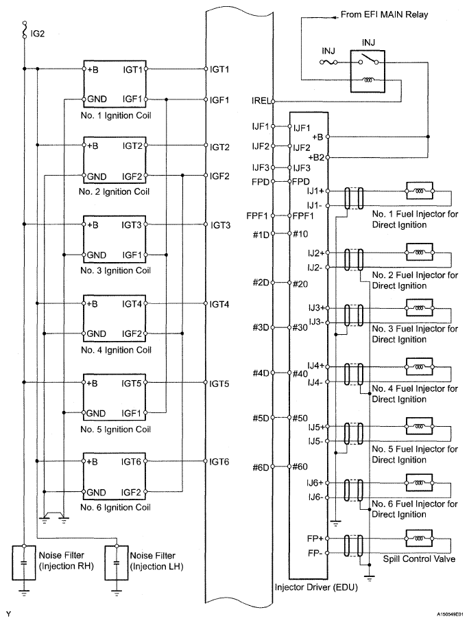
Fig 3: 2Gr-Fse Engine Control System Diagram (3 Of 6)
G05285017Courtesy of © TOYOTA, LICENSE AGREEMENT TMS1002
Fig 4: 2Gr-Fse Engine Control System Diagram (4 Of 6)
G05285018Courtesy of © TOYOTA, LICENSE AGREEMENT TMS1002
Fig 5: 2Gr-Fse Engine Control System Diagram (5 Of 6)
G05803174Courtesy of © TOYOTA, LICENSE AGREEMENT TMS1002
Fig 6: 2Gr-Fse Engine Control System Diagram (6 Of 6)
G05803175Courtesy of © TOYOTA, LICENSE AGREEMENT TMS1002