LEMON Manuals: Even more car manuals for everyone: 1960-2025
Home >> Lexus >> 2008 >> GS 450h V6-3.5L (2GR-FSE) Hybrid >> Repair and Diagnosis >> Powertrain Management >> Computers and Control Systems >> Relays and Modules - Computers and Control Systems >> Main Relay (Computer/Fuel System) >> Testing and Inspection
April 5, 2026: LEMON Manuals is launched! Read the announcement.

Main Relay (Computer/Fuel System): Testing and Inspection








2GR-FSE ENGINE CONTROL SYSTEM: INTEGRATION RELAY: ON-VEHICLE INSPECTION

ON-VEHICLE INSPECTION

1. DISCONNECT CABLE FROM NEGATIVE BATTERY TERMINAL
CAUTION: Wait at least 90 seconds after disconnecting the cable from the negative (-) battery terminal to prevent airbag and seat belt pretensioner activation.

2. REMOVE COOL AIR INTAKE DUCT SEAL Removal

3. REMOVE ENGINE ROOM SIDE COVER LH Removal

4. REMOVE INTEGRATION RELAY
(a) Remove the engine room No. 1 relay block cover.






(b) Unit A:
(1) Using a screwdriver, detach the 2 claws and disconnect the integration relay from the engine room No. 2 relay block.
HINT: Tape the screwdriver tip before use.
(2) Disconnect the 3 connectors.
(c) Unit C:
(1) Using a screwdriver, detach the 2 claws and disconnect the integration relay from the engine room No. 2 relay block.
HINT: Tape the screwdriver tip before use.
(2) Disconnect the 3 connectors.
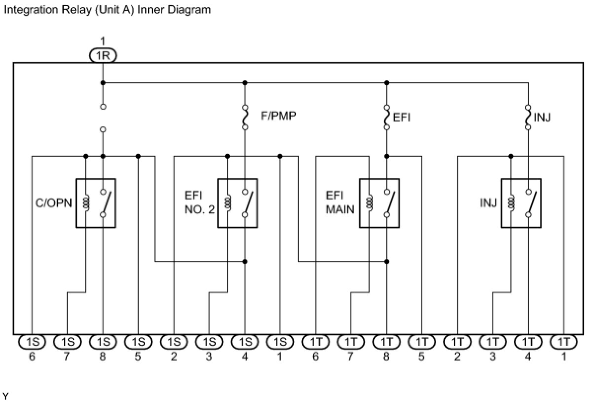
5. INSPECT INTEGRATION RELAY (UNIT A)
NOTICE:
- Some relays are built into the integration relay (unit A). The integration relay cannot be disassembled. If there is a malfunction in the circuit of the integration relay, replace the integration relay.
- The internal circuit of the integration relay is as shown in the illustration. Inspect the integration relay using the following procedures.









(a) Measure the resistance of the C/OPN relay.
(1) Connect the battery's positive (+) lead to terminal 1T-8 and negative (-) lead to terminal 1S-3. Check the resistance between the terminals when battery voltage is applied between the terminals.
Standard resistance:





(2) Connect the battery's positive (+) lead to terminals 1T-8 and 1R-1, and negative (-) lead to terminal 1S-3 and 1S-7. Measure the resistance between terminals 1R-1 and 1S-8 when battery voltage is applied between the terminals.
Standard resistance:










(b) Measure the resistance of the EFI MAIN relay.
(1) Remove the EFI fuse. Measure the resistance between the terminals.
Standard resistance:





(2) Connect the battery's positive (+) lead to terminal 1T-6 and negative (-) lead to terminal 1T-7. Measure the resistance between EFI fuse terminal 2 and terminal 1T-8 when battery voltage is applied between the terminals.
Standard resistance:










(c) Measure the resistance of the EFI NO. 2 relay.
(1) Measure the resistance between the terminals.
Standard resistance:





(2) Connect the battery's positive (+) lead to terminal 1T-8 and negative (-) lead to terminal 1S-3. Measure the resistance between terminals 1S-7 and 1R-1 when battery voltage is applied between the terminals.
Standard resistance:










(d) Measure the resistance of the INJ relay.
(1) Remove the INJ fuse. Measure the resistance between the terminals.
Standard resistance:





(2) Connect the battery's positive (+) lead to terminal 1T-1 and negative (-) lead to terminal 1T-3. Measure the resistance between INJ fuse terminals 2 and terminal 1T-4 when battery voltage is applied between the terminals.
Standard resistance:






6. INSPECT INTEGRATION RELAY (UNIT C)
NOTICE:
- Some relays are built into the integration relay (unit C). The integration relay cannot be disassembled. If there is a malfunction in the circuit of the integration relay, replace the integration relay.
- The internal circuit of the integration relay is as shown in the illustration. Inspect the integration relay using the following procedures.









(a) Measure the resistance of the A/F relay.
(1) Remove the A/F fuse. Measure the resistance between the terminals.
Standard resistance:





(2) Connect the battery's positive (+) lead to terminal 1U-1 and negative (-) lead to terminal 1U-3. Measure the resistance between A/F fuse terminals 2 and terminal 1U-4 when battery voltage is applied between the terminals.
Standard resistance:






7. INSTALL INTEGRATION RELAY
(a) Unit A:
(1) Connect the 3 connectors.
(2) Attach the integration relay to the engine room No. 2 relay block.
(b) Unit C:
(1) Connect the 3 connectors.
(2) Attach the integration relay to the engine room No. 2 relay block.
(c) Install the engine room No. 1 relay block cover.
8. INSTALL ENGINE ROOM SIDE COVER LH Installation

9. INSTALL COOL AIR INTAKE DUCT SEAL Installation

10. CONNECT CABLE TO NEGATIVE BATTERY TERMINAL
11. PERFORM INITIALIZATION
(a) Perform initialization Repair Instruction - Initialization.
NOTE: Certain systems need to be initialized after disconnecting and reconnecting the cable from the negative (-) battery terminal.