LEMON Manuals: Even more car manuals for everyone: 1960-2025
Home >> Lexus >> 2008 >> GS 450h >> Repair and Diagnosis >> Body & Frame >> Windows >> Windshield/WINDOWGLASS >> Window Defogger System >> Rear Window Defogger System does not Operate >> Wiring Diagram
April 5, 2026: LEMON Manuals is launched! Read the announcement.

Rear Window Defogger System does not Operate: Wiring Diagram

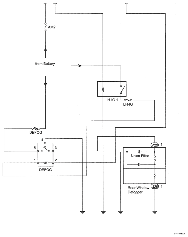
Fig 1: Rear Window Defogger System Does Not Operate - Wiring Diagram (1 Of 2)
G05315062Courtesy of © TOYOTA, LICENSE AGREEMENT TMS1002
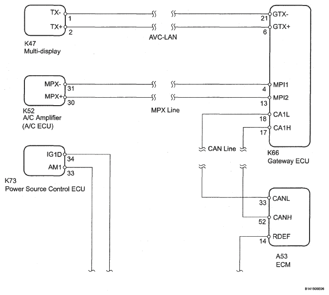
Fig 2: Rear Window Defogger System Does Not Operate - Wiring Diagram (2 Of 2)
G05315063Courtesy of © TOYOTA, LICENSE AGREEMENT TMS1002