LEMON Manuals: Even more car manuals for everyone: 1960-2025
Home >> Lexus >> 2008 >> GS 450h >> Repair and Diagnosis >> Electrical >> Body Electrical >> OEM System Circuits >> Electronic Modulated Suspension >> Notes
April 5, 2026: LEMON Manuals is launched! Read the announcement.

Electronic Modulated Suspension: Notes

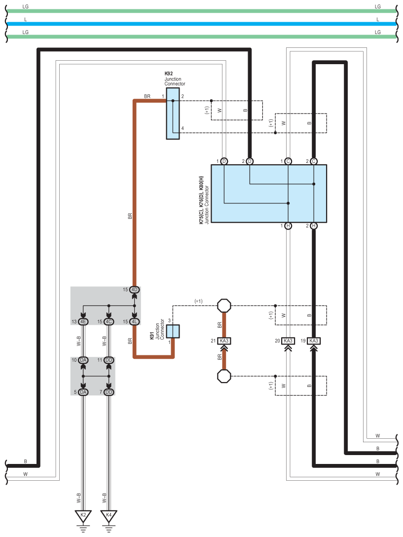
Fig 1: Electronic Modulated Suspension - Circuit Diagram (1 Of 10)
G07614045Courtesy of © TOYOTA, LICENSE AGREEMENT TMS1002
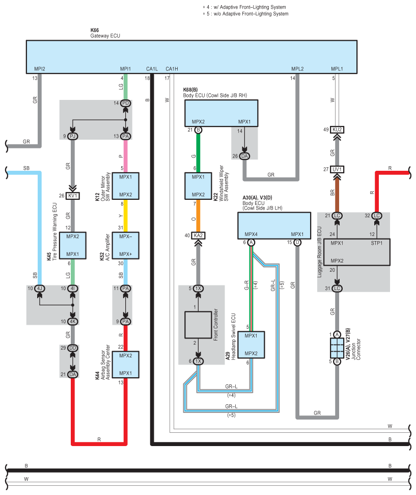
Fig 2: Electronic Modulated Suspension - Circuit Diagram (2 Of 10)
G07614046Courtesy of © TOYOTA, LICENSE AGREEMENT TMS1002
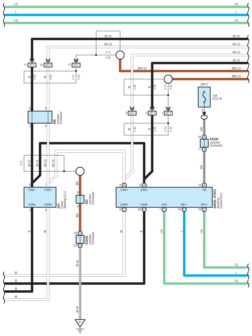
Fig 3: Electronic Modulated Suspension - Circuit Diagram (3 Of 10)
G07614047Courtesy of © TOYOTA, LICENSE AGREEMENT TMS1002
Fig 4: Electronic Modulated Suspension - Circuit Diagram (4 Of 10)
G07614048Courtesy of © TOYOTA, LICENSE AGREEMENT TMS1002
Fig 5: Electronic Modulated Suspension - Circuit Diagram (5 Of 10)
G07614049Courtesy of © TOYOTA, LICENSE AGREEMENT TMS1002
Fig 6: Electronic Modulated Suspension - Circuit Diagram (6 Of 10)
G07614050Courtesy of © TOYOTA, LICENSE AGREEMENT TMS1002
Fig 7: Electronic Modulated Suspension - Circuit Diagram (7 Of 10)
G07614051Courtesy of © TOYOTA, LICENSE AGREEMENT TMS1002
Fig 8: Electronic Modulated Suspension - Circuit Diagram (8 Of 10)
G07614052Courtesy of © TOYOTA, LICENSE AGREEMENT TMS1002
Fig 9: Electronic Modulated Suspension - Circuit Diagram (9 Of 10)
G07614053Courtesy of © TOYOTA, LICENSE AGREEMENT TMS1002
Fig 10: Electronic Modulated Suspension - Circuit Diagram (10 Of 10)
G07614054Courtesy of © TOYOTA, LICENSE AGREEMENT TMS1002