LEMON Manuals: Even more car manuals for everyone: 1960-2025
Home >> Lexus >> 2008 >> GS 450h >> Repair and Diagnosis >> Engine Performance >> System >> Engine Control System - System And Circuit Testing, On-Vehicle Inspection, Removal, Inspection & Installation >> Integration Relay >> On-Vehicle Inspection
April 5, 2026: LEMON Manuals is launched! Read the announcement.

On-Vehicle Inspection

  1. DISCONNECT CABLE FROM NEGATIVE BATTERY TERMINAL 
    CAUTION: Wait at least 90 seconds after disconnecting the cable from the negative (-) battery terminal to prevent airbag and seat belt pretensioner activation.
  2. REMOVE COOL AIR INTAKE DUCT SEAL  (See REMOVAL )
  3. REMOVE ENGINE ROOM SIDE COVER LH  (See REMOVAL )
  4. REMOVE INTEGRATION RELAY 
    1. Remove the engine room No. 1 relay block cover.
    2. Unit A:
      1. Using a screwdriver, detach the 2 claws and disconnect the integration relay from the engine room No. 2 relay block.

        HINT:

        Tape the screwdriver tip before use.

      2. Disconnect the 3 connectors.
    3. Unit C:
      1. Using a screwdriver, detach the 2 claws and disconnect the integration relay from the engine room No. 2 relay block.

        HINT:

        Tape the screwdriver tip before use.

      2. Disconnect the 3 connectors.
      Fig 1: Identifying Integration Relay
      G05302600Courtesy of © TOYOTA, LICENSE AGREEMENT TMS1002
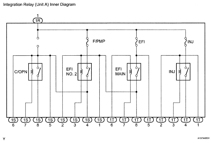
  5. INSPECT INTEGRATION RELAY (UNIT A) 
    NOTE:
    • Some relays are built into the integration relay (unit A). The integration relay cannot be disassembled. If there is a malfunction in the circuit of the integration relay, replace the integration relay.
    • The internal circuit of the integration relay is as shown in the illustration. Inspect the integration relay using the following procedures.
    Fig 2: Integration Relay Internal Circuit Diagram
    G05302601Courtesy of © TOYOTA, LICENSE AGREEMENT TMS1002
    1. Measure the resistance of the C/OPN relay.
      1. Connect the battery's positive (+) lead to terminal 1T-8 and negative (-) lead to terminal 1S-3. Check the resistance between the terminals when battery voltage is applied between the terminals.

        Standard resistance 

        TESTER CONNECTION AND SPECIFIED CONDITION

        Tester Connection Specified Condition
        1R-1 - 1S-7 Below 1 Ω
        1R-1 - 1S-8 10 kΩ or higher
      2. Connect the battery's positive (+) lead to terminals 1T-8 and 1R-1, and negative (-) lead to terminal 1S-3 and 1S-7. Measure the resistance between terminals 1R-1 and 1S-8 when battery voltage is applied between the terminals.
      Fig 3: Identifying Integration Relay Backside
      G05302602Courtesy of © TOYOTA, LICENSE AGREEMENT TMS1002

      Standard resistance 

      TESTER CONNECTION AND SPECIFIED CONDITION

      Tester Connection Specified Condition
      1R-1 - 1S-8 Below 1 Ω
    2. Measure the resistance of the EFI MAIN relay.
      1. Remove the EFI fuse. Measure the resistance between the terminals.

        Standard resistance 

        TESTER CONNECTION AND SPECIFIED CONDITION

        Tester Connection Specified Condition
        1T-6 - 1T-7 Below 1 Ω
        EFI fuse terminal 2 - terminal 1T-8 10 kΩ or higher
      2. Connect the battery's positive (+) lead to terminal 1T-6 and negative (-) lead to terminal 1T-7. Measure the resistance between EFI fuse terminal 2 and terminal 1T-8 when battery voltage is applied between the terminals.

      Standard resistance 

      TESTER CONNECTION AND SPECIFIED CONDITION

      Tester Connection Specified Condition
      EFI fuse terminal 2 - terminal 1T-8 Below 1 Ω
      Fig 4: Identifying EFI Fuse
      G05302603Courtesy of © TOYOTA, LICENSE AGREEMENT TMS1002
    3. Measure the resistance of the EFI NO. 2 relay.
      1. Measure the resistance between the terminals.

        Standard resistance 

        TESTER CONNECTION AND SPECIFIED CONDITION

        Tester Connection Specified Condition
        1T-8 - 1S-3 Below 1 Ω
        1S-7 - 1R-1 10 kΩ or higher
      2. Connect the battery's positive (+) lead to terminal 1T-8 and negative (-) lead to terminal 1S-3. Measure the resistance between terminals 1S-7 and 1R-1 when battery voltage is applied between the terminals.

      Standard resistance 

      TESTER CONNECTION AND SPECIFIED CONDITION

      Tester Connection Specified Condition
      1S-7 - 1R-1 Below 1 Ω
      Fig 5: Identifying Integration Relay Backside
      G05813714Courtesy of © TOYOTA, LICENSE AGREEMENT TMS1002
    4. Measure the resistance of the INJ relay.
      1. Remove the INJ fuse. Measure the resistance between the terminals.

        Standard resistance 

        TESTER CONNECTION AND SPECIFIED CONDITION

        Tester Connection Specified Condition
        1T-1 - 1T-3 Below 1 Ω
        INJ fuse terminal 2 - terminal 1T-4 10 kΩ or higher
      2. Fig 6: Identifying INJ Fuse
        G05302605Courtesy of © TOYOTA, LICENSE AGREEMENT TMS1002
      3. Connect the battery's positive (+) lead to terminal 1T-1 and negative (-) lead to terminal 1T-3. Measure the resistance between INJ fuse terminals 2 and terminal 1T-4 when battery voltage is applied between the terminals.

    Standard resistance 

    TESTER CONNECTION AND SPECIFIED CONDITION

    Tester Connection Specified condition
    INJ fuse terminal 2 - terminal 1T-4 Below 1 Ω
  6. INSPECT INTEGRATION RELAY (UNIT C) 
    NOTE:
    • Some relays are built into the integration relay (unit C). The integration relay cannot be disassembled. If there is a malfunction in the circuit of the integration relay, replace the integration relay.
    • The internal circuit of the integration relay is as shown in the illustration. Inspect the integration relay using the following procedures.
    Fig 7: Integration Relay Internal Circuit Diagram
    G05302606Courtesy of © TOYOTA, LICENSE AGREEMENT TMS1002
    1. Measure the resistance of the A/F relay.
      1. Remove the A/F fuse. Measure the resistance between the terminals.

        Standard resistance 

        TESTER CONNECTION AND SPECIFIED CONDITION

        Tester Connection Specified Condition
        1U-1 - 1U-3 Below 1 Ω
        A/F fuse terminal 2 - terminal 1U-4 10 kΩ or higher
      2. Connect the battery's positive (+) lead to terminal 1U-1 and negative (-) lead to terminal 1U-3. Measure the resistance between A/F fuse terminals 2 and terminal 1U-4 when battery voltage is applied between the terminals.

    Standard resistance 

    TESTER CONNECTION AND SPECIFIED CONDITION

    Tester Connection Specified condition
    A/F fuse terminal 2 - terminal 1U-4 Below 1 Ω
    Fig 8: Identifying A/F Fuse
    G05302607Courtesy of © TOYOTA, LICENSE AGREEMENT TMS1002
  7. INSTALL INTEGRATION RELAY 
    1. Unit A:
      1. Connect the 3 connectors.
      2. Attach the integration relay to the engine room No. 2 relay block.
    2. Unit C:
      1. Connect the 3 connectors.
      2. Attach the integration relay to the engine room No. 2 relay block.
    3. Install the engine room No. 1 relay block cover.
  8. INSTALL ENGINE ROOM SIDE COVER LH  (See INSTALLATION )
  9. INSTALL COOL AIR INTAKE DUCT SEAL  (See INSTALLATION )
  10. CONNECT CABLE TO NEGATIVE BATTERY TERMINAL 
  11. PERFORM INITIALIZATION 
    1. Perform initialization (see INITIALIZATION ).
    NOTE: Certain systems need to be initialized after disconnecting and reconnecting the cable from the negative (-) battery terminal.