LEMON Manuals: Even more car manuals for everyone: 1960-2025
Home >> Lexus >> 2008 >> GS 460 >> Repair and Diagnosis >> Engine Performance >> System >> Engine Control System (1UR-FSE) - Circuit Tests And Repair Information >> Integration Relay >> Inspection
April 5, 2026: LEMON Manuals is launched! Read the announcement.

Integration Relay: Inspection

  1. INSPECT INTEGRATION RELAY 
    NOTE:
    • Some relays are built into the integration relay (unit A). The integration relay cannot be disassembled. If there is a malfunction in the circuit of the integration relay, replace the integration relay.
      Fig 1: Identifying Engine Room No. 1 Relay Block Cover
      G05285396Courtesy of © TOYOTA, LICENSE AGREEMENT TMS1002
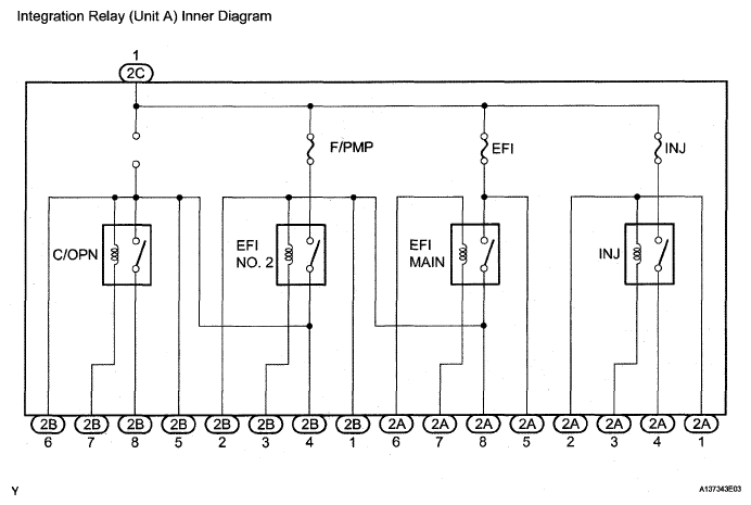
    • The internal circuit of the integration relay is as shown in the illustration. Inspect the integration relay using the following procedures.
      Fig 2: Integration Relay Inner Circuit Diagram
      G05285397Courtesy of © TOYOTA, LICENSE AGREEMENT TMS1002
    1. Measure the resistance of the C/OPN relay.
      1. Connect a battery's positive (+) lead to terminal 2A-8 and negative (-) lead to terminal 2B-3. Measure the resistance between the terminals when battery voltage is applied between the terminals.

        Standard resistance 

        TESTER CONNECTIONS SPECIFIED CONDITIONS CHART

        Tester Connection Specified Condition
        2C-1 - 2B-7 Below 1 Ω
        2C-1 - 2B-8 10 kΩ or higher
      2. Connect a battery's positive (+) lead to terminals 2A-8 and 2C-1, and negative (-) lead to terminals 2B-3 and 2B-7. Measure the resistance between terminals 2C-1 and 2B-8 when battery voltage is applied between the terminals.
        Fig 3: Identifying Integration Relay Terminals
        G05285398Courtesy of © TOYOTA, LICENSE AGREEMENT TMS1002

        Standard resistance 

        TESTER CONNECTIONS SPECIFIED CONDITIONS CHART

        Tester Connection Specified Condition
        2C-1 - 2B-8 Below 1 Ω
    2. Measure the resistance of the EFI MAIN relay.
      1. Remove the EFI fuse. Measure the resistance between the terminals.

        Standard resistance 

        TESTER CONNECTIONS SPECIFIED CONDITIONS CHART

        Tester Connection Specified Condition
        2A-6 - 2A-7 Below 1 Ω
        EFI fuse terminal 2 - terminal 2A-8 10 kΩ or higher
      2. Connect a battery's positive (+) lead to terminal 2A-6 and negative (-) lead to terminal 2A-7. Measure the resistance between EFI fuse terminal 2 and terminal 2A-8 when battery voltage is applied between the terminals.

        Standard resistance 

        TESTER CONNECTIONS SPECIFIED CONDITIONS CHART

        Tester Connection Specified Condition
        EFI fuse terminal 2 - terminal 2A-8 Below 1 Ω
        Fig 4: Identifying EFI Fuse
        G05285399Courtesy of © TOYOTA, LICENSE AGREEMENT TMS1002
    3. Measure the resistance of the EFI NO. 2 relay.
      1. Measure the resistance between the terminals.

        Standard resistance 

        TESTER CONNECTIONS SPECIFIED CONDITIONS CHART

        Tester Connection Specified Condition
        2A-8 - 2B-3 Below 1 Ω
        2B-7 - 2C-1 10 kΩ or higher
      2. Connect a battery's positive (+) lead to terminal 2A-8 and negative (-) lead to terminal 2B-3. Measure the resistance between terminals 2B-7 and 2C-1 when battery voltage is applied between the terminals.

        Standard resistance 

        TESTER CONNECTIONS SPECIFIED CONDITIONS CHART

        Tester Connection Specified Condition
        2B-7 - 2C-1 Below 1 Ω
        Fig 5: Rear View Of Integration Relay
        G05285398Courtesy of © TOYOTA, LICENSE AGREEMENT TMS1002
    4. Measure the resistance of the INJ relay.
      1. Remove the INJ fuse. Measure the resistance between the terminals.

        Standard resistance 

        TESTER CONNECTIONS SPECIFIED CONDITIONS CHART

        Tester Connection Specified Condition
        2A-1 - 2A-3 Below 1 Ω
        INJ fuse terminal 2 - terminal 2A-4 10 kΩ or higher
      2. Connect a battery's positive (+) lead to terminal 2A-1 and negative (-) lead to terminal 2A-3. Measure the resistance between the INJ fuse terminal 2 and terminal 2A-4 when battery voltage is applied between the terminals.

        Standard resistance 

        TESTER CONNECTIONS SPECIFIED CONDITIONS CHART

        Tester Connection Specified condition
        INJ fuse terminal 2 - terminal 2A-4 Below 1 Ω
        Fig 6: Front View Of Integration Relay
        G05285401Courtesy of © TOYOTA, LICENSE AGREEMENT TMS1002