LEMON Manuals: Even more car manuals for everyone: 1960-2025
Home >> Lexus >> 2008 >> GX 470 >> Repair and Diagnosis >> Electrical >> Body Electrical >> OEM System Circuits >> Electric Modulated Air Suspension >> Notes
April 5, 2026: LEMON Manuals is launched! Read the announcement.

Electric Modulated Air Suspension: Notes

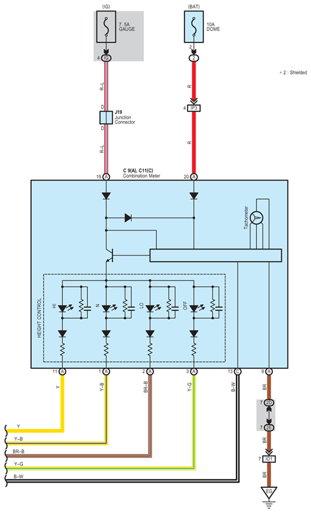
Fig 1: Electric Modulated Air Suspension - Circuit Diagram (1 Of 6)
G07613440Courtesy of © TOYOTA, LICENSE AGREEMENT TMS1002
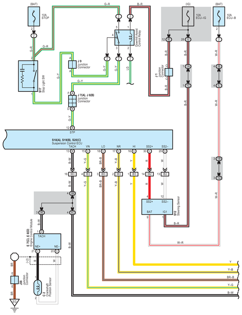
Fig 2: Electric Modulated Air Suspension - Circuit Diagram (2 Of 6)
G07613441Courtesy of © TOYOTA, LICENSE AGREEMENT TMS1002
Fig 3: Electric Modulated Air Suspension - Circuit Diagram (3 Of 6)
G07613442Courtesy of © TOYOTA, LICENSE AGREEMENT TMS1002
Fig 4: Electric Modulated Air Suspension - Circuit Diagram (4 Of 6)
G07613443Courtesy of © TOYOTA, LICENSE AGREEMENT TMS1002
Fig 5: Electric Modulated Air Suspension - Circuit Diagram (5 Of 6)
G07613444Courtesy of © TOYOTA, LICENSE AGREEMENT TMS1002
Fig 6: Electric Modulated Air Suspension - Circuit Diagram (6 Of 6)
G07613445Courtesy of © TOYOTA, LICENSE AGREEMENT TMS1002