LEMON Manuals: Even more car manuals for everyone: 1960-2025
Home >> Lexus >> 2008 >> GX 470 >> Repair and Diagnosis >> Electrical >> Body Electrical >> OEM System Circuits >> Kinetic Dynamic Suspension System >> Notes
April 5, 2026: LEMON Manuals is launched! Read the announcement.

Kinetic Dynamic Suspension System: Notes

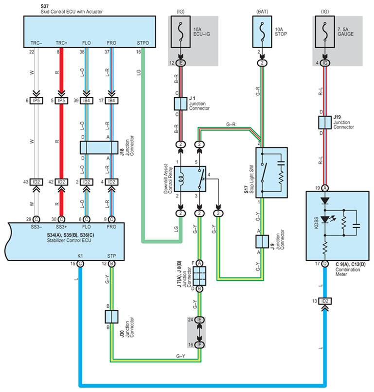
Fig 1: Kinetic Dynamic Suspension System - Circuit Diagram (1 Of 2)
G07613446Courtesy of © TOYOTA, LICENSE AGREEMENT TMS1002
Fig 2: Kinetic Dynamic Suspension System - Circuit Diagram (2 Of 2)
G07613447Courtesy of © TOYOTA, LICENSE AGREEMENT TMS1002