LEMON Manuals: Even more car manuals for everyone: 1960-2025
Home >> Lexus >> 2008 >> GX 470 >> Repair and Diagnosis >> Electrical >> Body Electrical >> OEM System Circuits >> Multiplex Communication System - BEAN >> Notes
April 5, 2026: LEMON Manuals is launched! Read the announcement.

Multiplex Communication System - BEAN: Notes

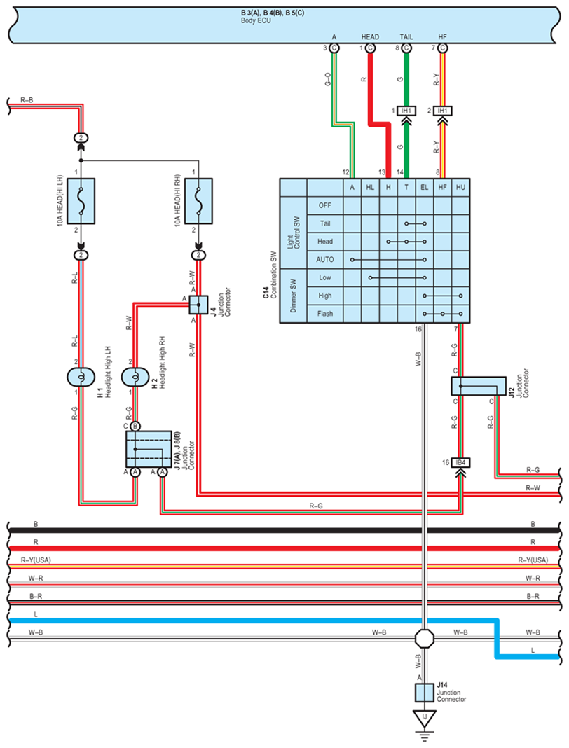
Fig 1: Multiplex Communication System - BEAN - Circuit Diagram (1 Of 21)
G07613343Courtesy of © TOYOTA, LICENSE AGREEMENT TMS1002
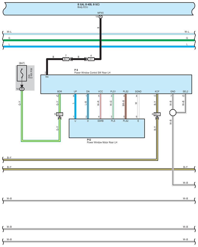
Fig 2: Multiplex Communication System - BEAN - Circuit Diagram (2 Of 21)
G07613344Courtesy of © TOYOTA, LICENSE AGREEMENT TMS1002
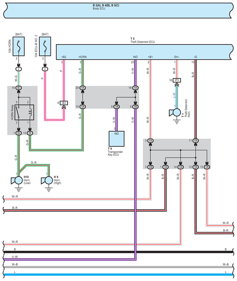
Fig 3: Multiplex Communication System - BEAN - Circuit Diagram (3 Of 21)
G07613345Courtesy of © TOYOTA, LICENSE AGREEMENT TMS1002
Fig 4: Multiplex Communication System - BEAN - Circuit Diagram (4 Of 21)
G07613346Courtesy of © TOYOTA, LICENSE AGREEMENT TMS1002
Fig 5: Multiplex Communication System - BEAN - Circuit Diagram (5 Of 21)
G07613347Courtesy of © TOYOTA, LICENSE AGREEMENT TMS1002
Fig 6: Multiplex Communication System - BEAN - Circuit Diagram (6 Of 21)
G07613348Courtesy of © TOYOTA, LICENSE AGREEMENT TMS1002
Fig 7: Multiplex Communication System - BEAN - Circuit Diagram (7 Of 21)
G07613349Courtesy of © TOYOTA, LICENSE AGREEMENT TMS1002
Fig 8: Multiplex Communication System - BEAN - Circuit Diagram (8 Of 21)
G07613350Courtesy of © TOYOTA, LICENSE AGREEMENT TMS1002
Fig 9: Multiplex Communication System - BEAN - Circuit Diagram (9 Of 21)
G07613351Courtesy of © TOYOTA, LICENSE AGREEMENT TMS1002
Fig 10: Multiplex Communication System - BEAN - Circuit Diagram (10 Of 21)
G07613352Courtesy of © TOYOTA, LICENSE AGREEMENT TMS1002
Fig 11: Multiplex Communication System - BEAN - Circuit Diagram (11 Of 21)
G07613353Courtesy of © TOYOTA, LICENSE AGREEMENT TMS1002
Fig 12: Multiplex Communication System - BEAN - Circuit Diagram (12 Of 21)
G07613354Courtesy of © TOYOTA, LICENSE AGREEMENT TMS1002
Fig 13: Multiplex Communication System - BEAN - Circuit Diagram (13 Of 21)
G07613355Courtesy of © TOYOTA, LICENSE AGREEMENT TMS1002
Fig 14: Multiplex Communication System - BEAN - Circuit Diagram (14 Of 21)
G07613356Courtesy of © TOYOTA, LICENSE AGREEMENT TMS1002
Fig 15: Multiplex Communication System - BEAN - Circuit Diagram (15 Of 21)
G07613357Courtesy of © TOYOTA, LICENSE AGREEMENT TMS1002
Fig 16: Multiplex Communication System - BEAN - Circuit Diagram (16 Of 21)
G07613358Courtesy of © TOYOTA, LICENSE AGREEMENT TMS1002
Fig 17: Multiplex Communication System - BEAN - Circuit Diagram (17 Of 21)
G07613359Courtesy of © TOYOTA, LICENSE AGREEMENT TMS1002
Fig 18: Multiplex Communication System - BEAN - Circuit Diagram (18 Of 21)
G07613360Courtesy of © TOYOTA, LICENSE AGREEMENT TMS1002
Fig 19: Multiplex Communication System - BEAN - Circuit Diagram (19 Of 21)
G07613361Courtesy of © TOYOTA, LICENSE AGREEMENT TMS1002
Fig 20: Multiplex Communication System - BEAN - Circuit Diagram (20 Of 21)
G07613362Courtesy of © TOYOTA, LICENSE AGREEMENT TMS1002
Fig 21: Multiplex Communication System - BEAN - Circuit Diagram (21 Of 21)
G07613363Courtesy of © TOYOTA, LICENSE AGREEMENT TMS1002