LEMON Manuals: Even more car manuals for everyone: 1960-2025
Home >> Lexus >> 2008 >> GX 470 >> Repair and Diagnosis >> Engine Performance >> Engine Control System >> SFI System >> IACV Control Circuit >> Wiring Diagram
April 5, 2026: LEMON Manuals is launched! Read the announcement.

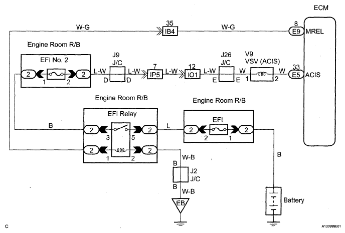
IACV Control Circuit: Wiring Diagram

Fig 1: IACV Control Wiring Diagram
G05264299Courtesy of © TOYOTA, LICENSE AGREEMENT TMS1002