LEMON Manuals: Even more car manuals for everyone: 1960-2025
Home >> Lexus >> 2008 >> IS 250 AWD >> Repair and Diagnosis >> Electrical >> Body Electrical >> OEM System Circuits >> Cruise Control for 4GR-FSE >> Notes
April 5, 2026: LEMON Manuals is launched! Read the announcement.

Cruise Control for 4GR-FSE: Notes

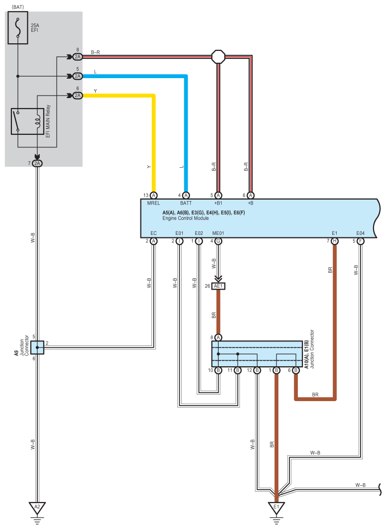
Fig 1: Cruise Control For 4GR-FSE - Circuit Diagram (1 Of 7)
G07591822Courtesy of © TOYOTA, LICENSE AGREEMENT TMS1002
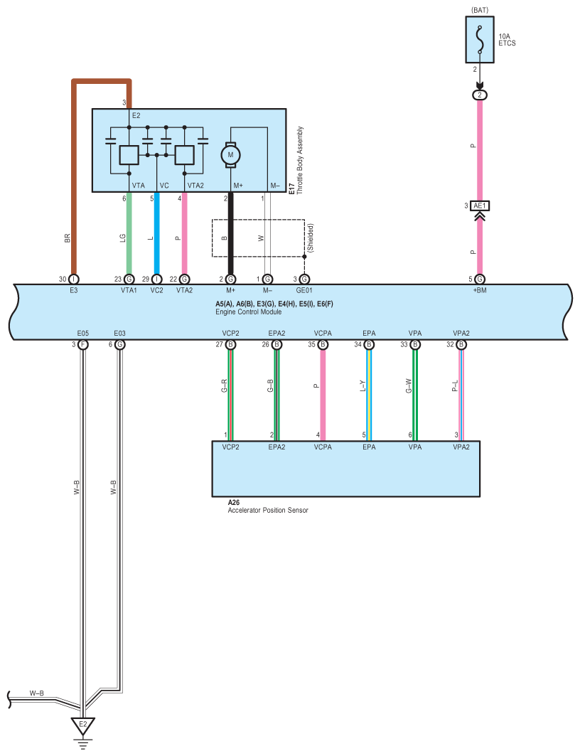
Fig 2: Cruise Control For 4GR-FSE - Circuit Diagram (2 Of 7)
G07591823Courtesy of © TOYOTA, LICENSE AGREEMENT TMS1002
Fig 3: Cruise Control For 4GR-FSE - Circuit Diagram (3 Of 7)
G07591824Courtesy of © TOYOTA, LICENSE AGREEMENT TMS1002
Fig 4: Cruise Control For 4GR-FSE - Circuit Diagram (4 Of 7)
G07591825Courtesy of © TOYOTA, LICENSE AGREEMENT TMS1002
Fig 5: Cruise Control For 4GR-FSE - Circuit Diagram (5 Of 7)
G07591826Courtesy of © TOYOTA, LICENSE AGREEMENT TMS1002
Fig 6: Cruise Control For 4GR-FSE - Circuit Diagram (6 Of 7)
G07591827Courtesy of © TOYOTA, LICENSE AGREEMENT TMS1002
Fig 7: Cruise Control For 4GR-FSE - Circuit Diagram (7 Of 7)
G07591828Courtesy of © TOYOTA, LICENSE AGREEMENT TMS1002