LEMON Manuals: Even more car manuals for everyone: 1960-2025
Home >> Lexus >> 2008 >> IS 250 RWD, Standard >> Repair and Diagnosis (Single Page) >> External Pages >> Different car >> Section 21 (Brake Control / Dynamic Control Systems) >> Vehicle Stability Control System >> DTC C0278/11 Open in ABS Solenoid Relay Circuit; DTC C0279/12 Short to B+ in ABS Solenoid Relay Circuit >> Wiring Diagram
April 5, 2026: LEMON Manuals is launched! Read the announcement.

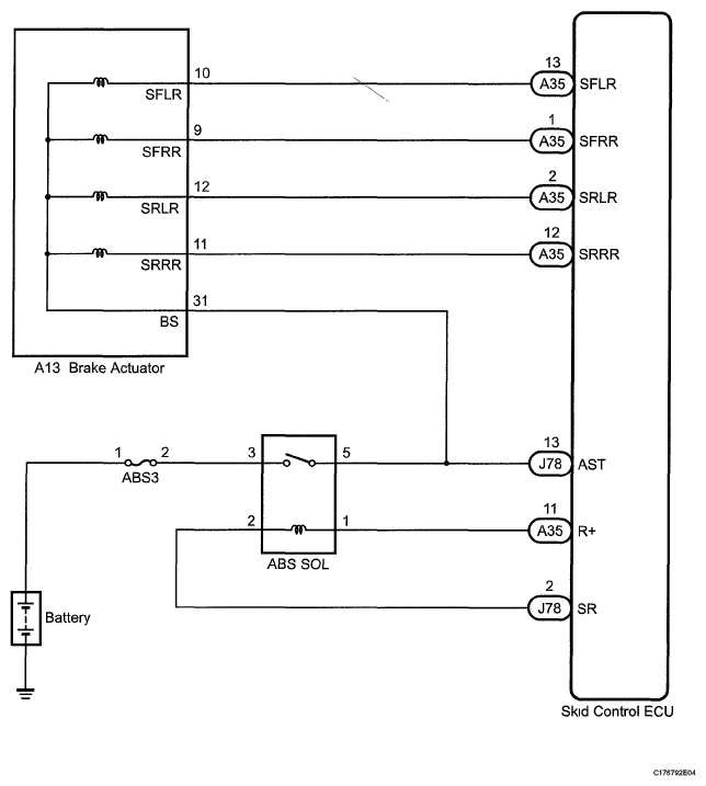
DTC C0278/11 Open in ABS Solenoid Relay Circuit; DTC C0279/12 Short to B+ in ABS Solenoid Relay Circuit: Wiring Diagram

WARNING: This page is about a different car, the 2008 Lexus IS F. However, it is still accessible from the selected car via links, so may be relevant.
Fig 1: ABS Solenoid Relay Wiring Diagram
G05752590Courtesy of © TOYOTA, LICENSE AGREEMENT TMS1002