LEMON Manuals: Even more car manuals for everyone: 1960-2025
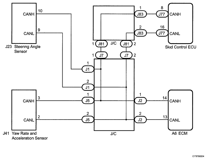
Home >> Lexus >> 2008 >> IS 250 RWD, Standard >> Repair and Diagnosis (Single Page) >> External Pages >> Different car >> Section 21 (Brake Control / Dynamic Control Systems) >> Vehicle Stability Control System >> DTC U0073/94 Control Module Communication Bus OFF; DTC U0100/65 Lost Communication with ECM / PCM; DTC U0123/62 Lost Communication with Yaw Rate Sensor Module; DTC U0124/95 Lost Communication with Lateral Acceleration Sensor Module; DTC U0126/63 Lost Communication with Steering Angle Sensor Module >> Wiring Diagram
April 5, 2026: LEMON Manuals is launched! Read the announcement.

DTC U0073/94 Control Module Communication Bus OFF; DTC U0100/65 Lost Communication with ECM / PCM; DTC U0123/62 Lost Communication with Yaw Rate Sensor Module; DTC U0124/95 Lost Communication with Lateral Acceleration Sensor Module; DTC U0126/63 Lost Communication with Steering Angle Sensor Module: Wiring Diagram

WARNING: This page is about a different car, the 2008 Lexus IS F. However, it is still accessible from the selected car via links, so may be relevant.
Fig 1: ECM, Steering Angle Sensor, And Yaw Rate And Acceleration Sensor Wiring Diagram
G05752645Courtesy of © TOYOTA, LICENSE AGREEMENT TMS1002