LEMON Manuals: Even more car manuals for everyone: 1960-2025
Home >> Lexus >> 2008 >> IS 250 RWD, Standard >> Repair and Diagnosis >> External Pages >> Different car >> Section 45 (Navigation) >> Navigation System >> Steering Pad Switch Circuit >> Wiring Diagram
April 5, 2026: LEMON Manuals is launched! Read the announcement.

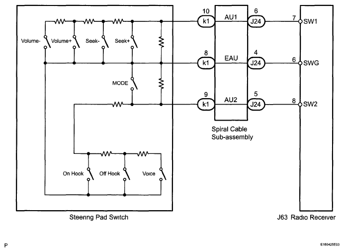
Steering Pad Switch Circuit: Wiring Diagram

WARNING: This page is about a different car, the 2008 Lexus IS F. However, it is still accessible from the selected car via links, so may be relevant.
Fig 1: Steering Pad Switch - Wiring Diagram
G05753683Courtesy of © TOYOTA, LICENSE AGREEMENT TMS1002