LEMON Manuals: Even more car manuals for everyone: 1960-2025
Home >> Lexus >> 2008 >> IS 350 >> Repair and Diagnosis >> Engine Performance >> System >> Engine Control System (2GR-FSE) - SFI System Diagnostic Introduction, Problem Symptoms Table, Diagnostic Trouble Code Chart >> SFI System >> System Diagram
April 5, 2026: LEMON Manuals is launched! Read the announcement.

System Diagram

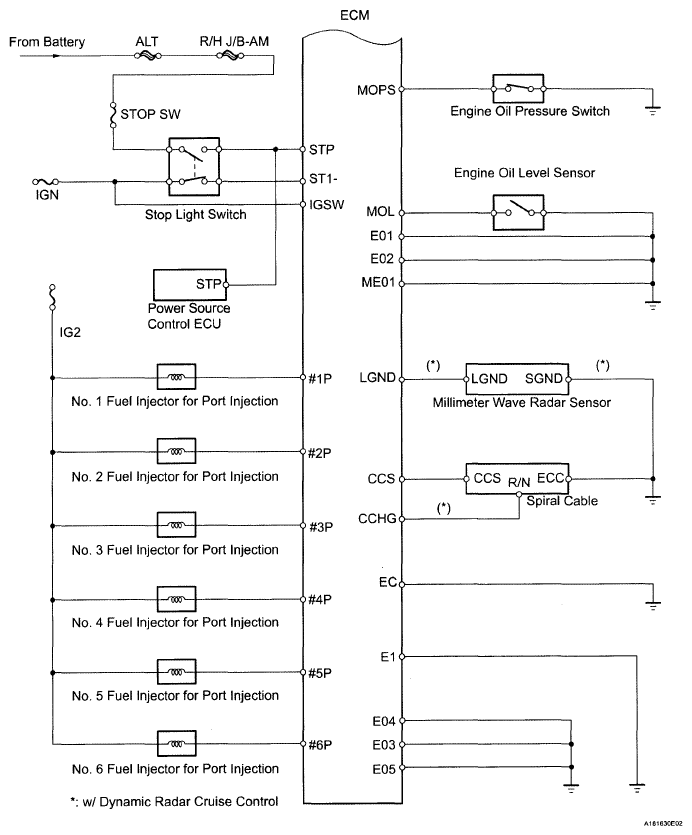
Fig 1: Engine Control System (2GR-FSE) Diagram (1 Of 5)
G05822465Courtesy of © TOYOTA, LICENSE AGREEMENT TMS1002
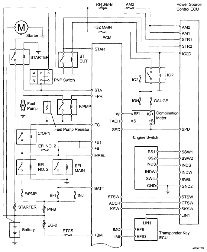
Fig 2: Engine Control System (2GR-FSE) Diagram (2 Of 5)
G05822466Courtesy of © TOYOTA, LICENSE AGREEMENT TMS1002
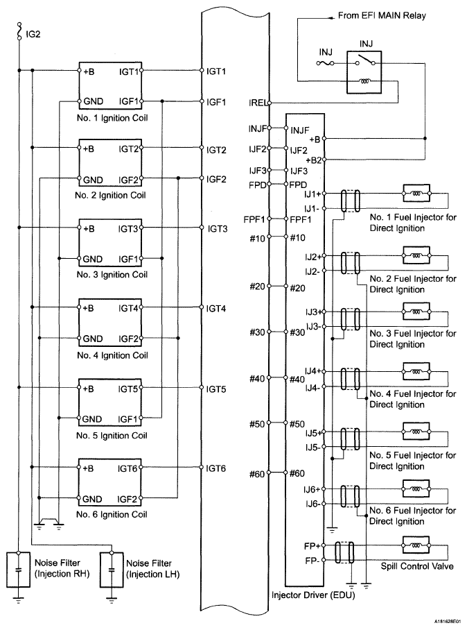
Fig 3: Engine Control System (2GR-FSE) Diagram (3 Of 5)
G05315872Courtesy of © TOYOTA, LICENSE AGREEMENT TMS1002
Fig 4: Engine Control System (2GR-FSE) Diagram (4 Of 5)
G05822468Courtesy of © TOYOTA, LICENSE AGREEMENT TMS1002
Fig 5: Engine Control System (2GR-FSE) Diagram (5 Of 5)
G05822469Courtesy of © TOYOTA, LICENSE AGREEMENT TMS1002