LEMON Manuals: Even more car manuals for everyone: 1960-2025
Home >> Lexus >> 2008 >> IS 350 >> Repair and Diagnosis >> Transmission >> Automatic Trans >> Automatic Transaxle >> Automatic Transmission System >> System Diagram
April 5, 2026: LEMON Manuals is launched! Read the announcement.

System Diagram

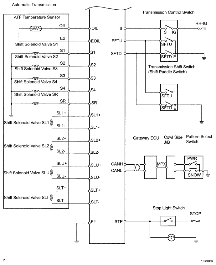
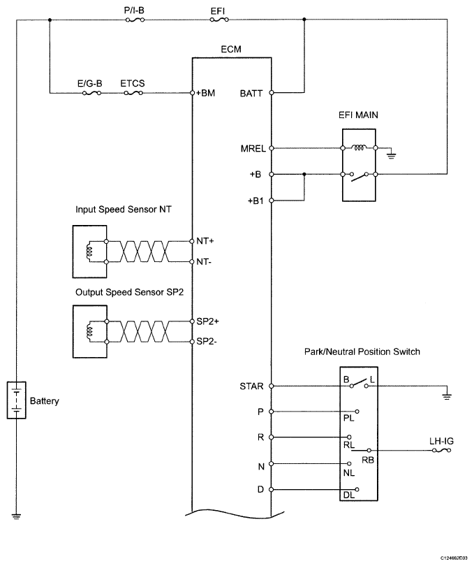
The configuration of the electronic control system in the A760E automatic transmission is as shown in the following chart.

Fig 1: Automatic Transmission System Diagram (1 Of 4)
G05823971Courtesy of © TOYOTA, LICENSE AGREEMENT TMS1002
Fig 2: Automatic Transmission System Diagram (2 Of 4)
G05823972Courtesy of © TOYOTA, LICENSE AGREEMENT TMS1002
Fig 3: Automatic Transmission System Diagram (3 Of 4)
G05823973Courtesy of © TOYOTA, LICENSE AGREEMENT TMS1002
Fig 4: Automatic Transmission System Diagram (4 Of 4)
G05823974Courtesy of © TOYOTA, LICENSE AGREEMENT TMS1002