LEMON Manuals: Even more car manuals for everyone: 1960-2025
Home >> Lexus >> 2008 >> IS F V8-5.0L (2UR-GSE) >> Repair and Diagnosis >> Powertrain Management >> Computers and Control Systems >> Relays and Modules - Computers and Control Systems >> Main Relay (Computer/Fuel System) >> Testing and Inspection >> Integration Relay
April 5, 2026: LEMON Manuals is launched! Read the announcement.

Integration Relay









2UR-GSE ENGINE CONTROL: INTEGRATION RELAY: INSPECTION

2UR-GSE ENGINE CONTROL: INTEGRATION RELAY: INSPECTION

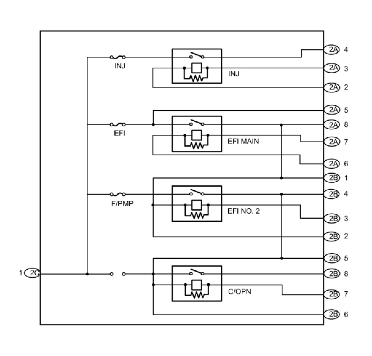
1. INSPECT INTEGRATION RELAY





(a) EFI MAIN relay:





(1) Measure the resistance according to the value(s) in the table below.
Standard Resistance:






If the resistance is not as specified, replace the integration relay.
(b) EFI No. 2 relay:





(1) Measure the resistance according to the value(s) in the table below.
Standard Resistance:






If the resistance is not as specified, replace the integration relay.
(c) INJ relay:





(1) Measure the resistance according to the value(s) in the table below.
Standard Resistance:






If the resistance is not as specified, replace the integration relay.
(d) C/OPN relay:





(1) Measure the resistance according to the value(s) in the table below.
Standard Resistance:






If the resistance is not as specified, replace the integration relay.