LEMON Manuals: Even more car manuals for everyone: 1960-2025
Home >> Lexus >> 2008 >> IS F V8-5.0L (2UR-GSE) >> Repair and Diagnosis >> Powertrain Management >> Computers and Control Systems >> Relays and Modules - Computers and Control Systems >> Main Relay (Computer/Fuel System) >> Testing and Inspection >> Relay
April 5, 2026: LEMON Manuals is launched! Read the announcement.

Relay









2UR-GSE ENGINE CONTROL: RELAY: ON-VEHICLE INSPECTION

2UR-GSE ENGINE CONTROL: RELAY: ON-VEHICLE INSPECTION

1. DISCONNECT CABLE FROM NEGATIVE BATTERY TERMINAL
CAUTION: Wait at least 90 seconds after disconnecting the cable from the negative (-) battery terminal to disable the SRS system.
NOTICE: When disconnecting the cable, some systems need to be initialized after the cable is reconnected Repair Instruction - Initialization.

2. REMOVE COOL AIR INTAKE DUCT SEAL Removal

3. REMOVE ENGINE ROOM SIDE COVER LH Removal

4. REMOVE NO. 2 RELAY BLOCK COVER
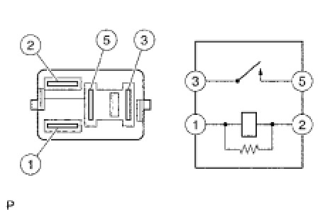
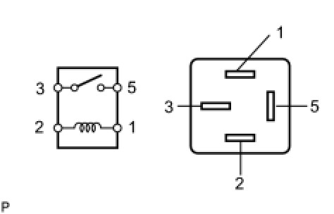
5. INSPECT IG2 RELAY
(a) Remove the IG2 relay from the No. 2 relay block.






(b) Measure the resistance according to the value(s) in the table below.
Standard Resistance:





If the result is not as specified, replace the relay.
6. INSPECT VVT LH RELAY
(a) Remove the VVT LH relay from the No. 2 relay block.






(b) Measure the resistance according to the value(s) in the table below.
Standard Resistance:





If the result is not as specified, replace the relay.
7. INSPECT VVT RH RELAY
(a) Remove the VVT RH relay from the No. 2 relay block.






(b) Measure the resistance according to the value(s) in the table below.
Standard Resistance:





If the result is not as specified, replace the relay.
8. INSPECT INJ2 RELAY
(a) Remove the INJ2 relay from the No. 2 relay block.






(b) Measure the resistance according to the value(s) in the table below.
Standard Resistance:





If the result is not as specified, replace the relay.
9. INSPECT A/F RELAY
(a) Remove the A/F relay from the No. 2 relay block.






(b) Measure the resistance according to the value(s) in the table below.
Standard Resistance:





If the result is not as specified, replace the relay.
10. INSPECT F/PMP RELAY
(a) Remove the F/PMP relay from the No. 2 relay block.






(b) Measure the resistance according to the value(s) in the table below.
Standard Resistance:





If the result is not as specified, replace the relay.
11. INSTALL NO. 2 RELAY BLOCK COVER
12. CONNECT CABLE TO NEGATIVE BATTERY TERMINAL
NOTICE: When disconnecting the cable, some systems need to be initialized after the cable is reconnected Repair Instruction - Initialization.

13. INSTALL ENGINE ROOM SIDE COVER LH Installation

14. INSTALL COOL AIR INTAKE DUCT SEAL Installation