LEMON Manuals: Even more car manuals for everyone: 1960-2025
Home >> Lexus >> 2008 >> IS F >> Repair and Diagnosis (Single Page) >> Electrical >> Body Electrical >> OEM System Circuits >> SRS >> Notes
April 5, 2026: LEMON Manuals is launched! Read the announcement.

OEM System Circuits: SRS: Notes

NOTE: When inspecting or repairing the SRS, perform service in accordance with the following precautionary instructions and the procedure, and precautions in the service information applicable for the model year.
Fig 1: Reuse SRS Part List (Never Disassemble And Repair Parts)
G07592373Courtesy of © TOYOTA, LICENSE AGREEMENT TMS1002
Fig 2: SRS - Circuit Diagram (1 Of 8)
G07592374Courtesy of © TOYOTA, LICENSE AGREEMENT TMS1002
Fig 3: SRS - Circuit Diagram (2 Of 8)
G07592375Courtesy of © TOYOTA, LICENSE AGREEMENT TMS1002
Fig 4: SRS - Circuit Diagram (3 Of 8)
G07592376Courtesy of © TOYOTA, LICENSE AGREEMENT TMS1002
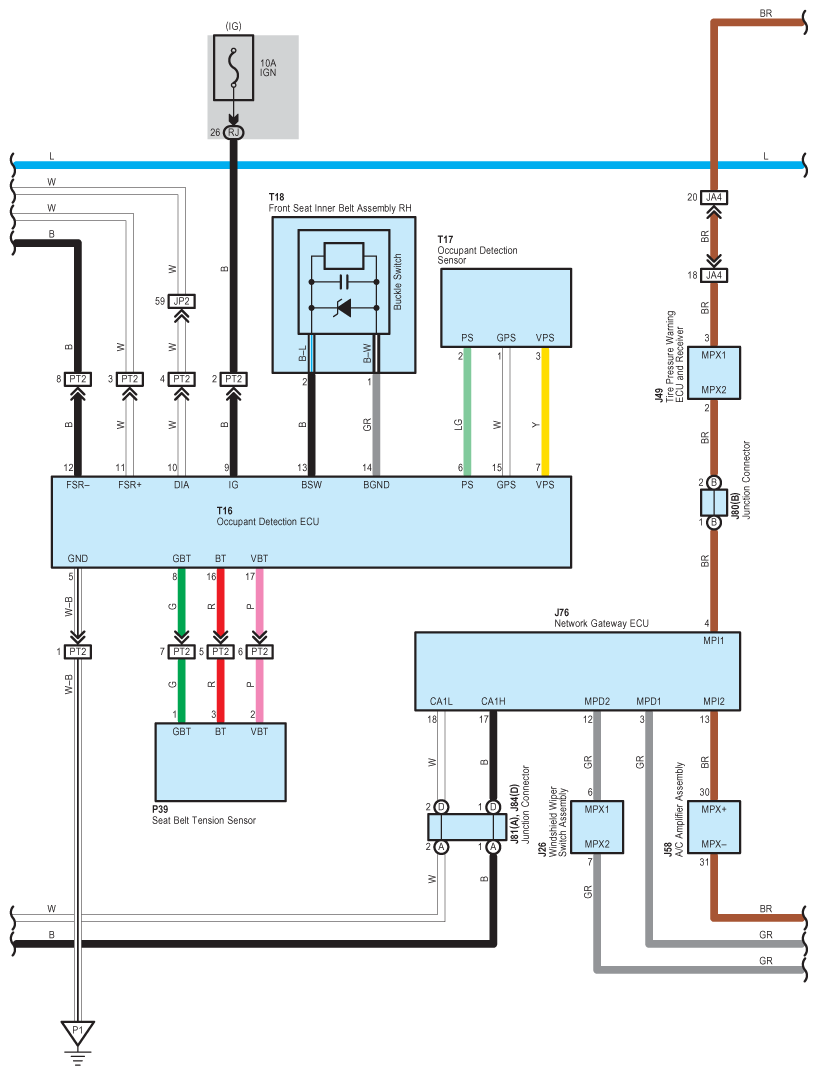
Fig 5: SRS - Circuit Diagram (4 Of 8)
G07592377Courtesy of © TOYOTA, LICENSE AGREEMENT TMS1002
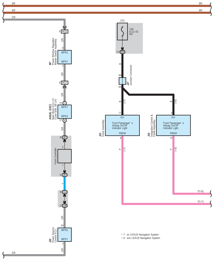
Fig 6: SRS - Circuit Diagram (5 Of 8)
G07592378Courtesy of © TOYOTA, LICENSE AGREEMENT TMS1002
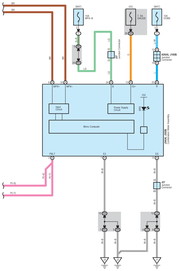
Fig 7: SRS - Circuit Diagram (6 Of 8)
G07592379Courtesy of © TOYOTA, LICENSE AGREEMENT TMS1002
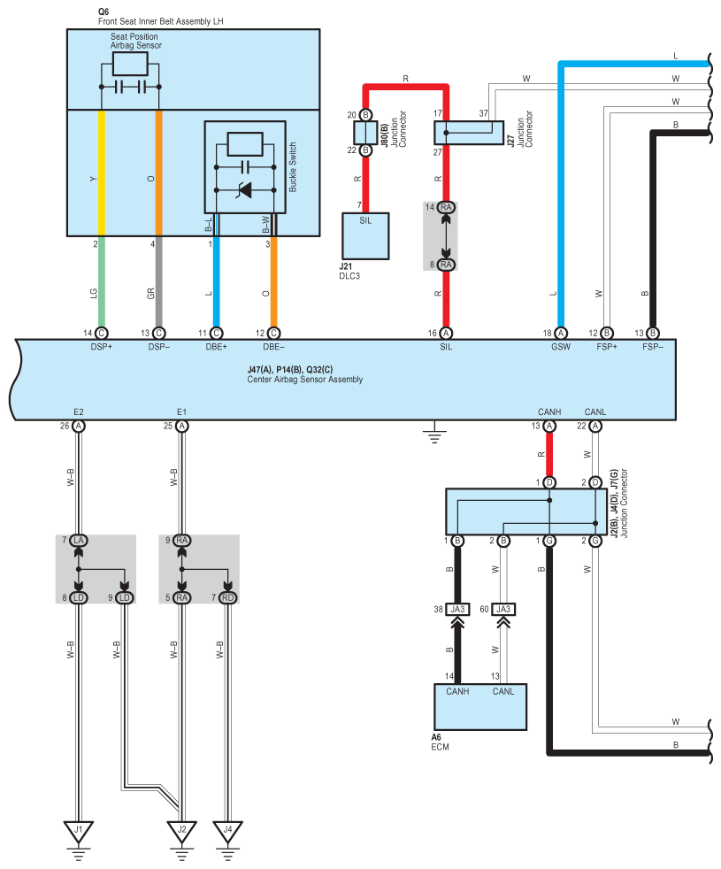
Fig 8: SRS - Circuit Diagram (7 Of 8)
G07592380Courtesy of © TOYOTA, LICENSE AGREEMENT TMS1002
Fig 9: SRS - Circuit Diagram (8 Of 8)
G07592381Courtesy of © TOYOTA, LICENSE AGREEMENT TMS1002