LEMON Manuals: Even more car manuals for everyone: 1960-2025
Home >> Lexus >> 2008 >> IS F >> Repair and Diagnosis (Single Page) >> Engine Performance >> Engine Control Systems >> Engine Control System - System & Component Testing, R & I >> ECM Power Source Circuit >> Inspection Procedure
April 5, 2026: LEMON Manuals is launched! Read the announcement.

Inspection Procedure

  1. INSPECT ECM (+B, +B2 VOLTAGE) 
    1. Turn the engine switch on (IG)
    2. Measure the voltage according to the value(s) in the table below

      Standard Voltage 

      TESTER CONNECTION SPECIFIED CONDITION CHART

      Tester Connection Switch Condition Specified Condition
      A6-2 (+B) - E6-1 (E1) Engine switch on (IG) 11 to 14 V
      A6-1 (+B2) - E6-1 (E1) Engine switch on (IG) 11 to 14 V
    3. Fig 1: Identifying ECM Connector E6 And A6
      G05751790Courtesy of © TOYOTA, LICENSE AGREEMENT TMS1002

    NG: Go to step 2 

    OK: PROCEED TO NEXT CIRCUIT INSPECTION SHOWN IN PROBLEM SYMPTOMS TABLE  (See PROBLEM SYMPTOMS TABLE )

  2. CHECK HARNESS AND CONNECTOR (ECM - BODY GROUND) 
    1. Disconnect the ECM connector
    2. Measure the resistance according to the value(s) in the table below

      Standard Resistance (Check for Open) 

      TESTER CONNECTION SPECIFIED CONDITION CHART

      Tester Connection Condition Specified Condition
      E6-1 (E1) - Body ground Always Below 1 Ω
    3. Reconnect the ECM connector
    4. Fig 2: Identifying ECM Connector E6
      G05751791Courtesy of © TOYOTA, LICENSE AGREEMENT TMS1002

    NG: REPAIR OR REPLACE HARNESS OR CONNECTOR 

    OK: Go to next step 

  3. INSPECT ECM (IGSW VOLTAGE) 
    1. Turn the engine switch on (IG)
    2. Measure the voltage according to the value(s) in the table below

      Standard Voltage 

      TESTER CONNECTION SPECIFIED CONDITION CHART

      Tester Connection Switch Condition Specified Condition
      A5-8 (IGSW) - E6-1 (E1) Engine switch on (IG) 11 to 14 V
    3. Fig 3: Identifying ECM Connector E6 And A5 (GSW Voltage)
      G05751792Courtesy of © TOYOTA, LICENSE AGREEMENT TMS1002

    NG: Go to step  9

    OK: Go to next step 

  4. INSPECT ECM (MREL VOLTAGE) 
    1. Turn the engine switch on (IG)
    2. Measure the voltage according to the value(s) in the table below

      Standard Voltage 

      TESTER CONNECTION SPECIFIED CONDITION CHART

      Tester Connection Switch Condition Specified Condition
      A5-3 (MREL) - E6-1 (E1) Engine switch on (IG) 11 to 14 V
    3. Fig 4: Identifying ECM Connector E6 And A5 (MREL Voltage)
      G05751793Courtesy of © TOYOTA, LICENSE AGREEMENT TMS1002

    NG: REPLACE ECM  (See REMOVAL  )

    OK: Go to next step 

  5. CHECK FUSE (EFI FUSE) 
    1. Remove the EFI fuse from the engine room No 2 relay block.
    2. Measure the resistance according to the value(s) in the table below

      Standard Resistance 

      TESTER CONNECTION SPECIFIED CONDITION CHART

      Tester Connection Condition Specified Condition
      EFI fuse Always Below 1 Ω
    3. Reinstall the EFI fuse
    4. Fig 5: Identifying EFI Fuse From Engine Room No 2 Relay Block
      G05751794Courtesy of © TOYOTA, LICENSE AGREEMENT TMS1002

    NG: CHECK FOR SHORT IN ALL HARNESSES AND CONNECTORS CONNECTED TO FUSE AND REPLACE FUSE (EFI FUSE) 

    OK: Go to next step 

  6. INSPECT INTEGRATION RELAY (EFI MAIN RELAY) 
    1. Remove the integration relay from the engine room No 2 relay block.
    2. Measure the resistance according to the value(s) in the table below

      Standard Resistance 

      TESTER CONNECTION SPECIFIED CONDITION CHART

      Tester Connection Condition Specified Condition
      2C-1 - 2A-8 When no battery voltage applied terminals 2A-6 and 2A-7 10 kΩ or higher
      When battery voltage applied to terminals 2A-6 and 2A-7 Below 1 Ω
    3. Reinstall the integration relay.
    4. Fig 6: Identifying Integration Relay From Engine Room No 2 Relay Block
      G05751795Courtesy of © TOYOTA, LICENSE AGREEMENT TMS1002

    NG: REPLACE INTEGRATION RELAY  (See REMOVAL  )

    OK: Go to next step 

  7. CHECK HARNESS AND CONNECTOR (EFI RELAY - ECM AND BODY GROUND) 
    1. Check the harness and the connectors between the integration relay and the ECM.
      1. Remove the integration relay from the engine room No. 2 relay block.
      2. Disconnect the ECM connector.
      3. Measure the resistance according to the value(s) in the table below

        Standard Resistance (Check for Open) 

        TESTER CONNECTION SPECIFIED CONDITION CHART

        Tester Connection Condition Specified Condition
        2A-6 - A5-3 (MREL) Always Below 1 Ω

        Standard Resistance (Check for Short) 

        TESTER CONNECTION SPECIFIED CONDITION CHART

        Tester Connection Condition Specified Condition
        2A-6 or A5-3 (MREL) - Body ground Always 10 kΩ or higher
      4. Reconnect the ECM connector
    2. Check the harness and the connectors between the integration relay and body ground.
      1. Measure the resistance according to the value(s) in the table below

        Standard Resistance (Check for Open) 

        TESTER CONNECTION SPECIFIED CONDITION CHART

        Tester Connection Condition Specified condition
        2A-7 - Body ground Always Below 1 Ω
      2. Reinstall the integration relay
        Fig 7: Identifying Integration Relay Terminal And ECM Connector A5
        G05751796Courtesy of © TOYOTA, LICENSE AGREEMENT TMS1002

    NG: REPAIR OR REPLACE HARNESS OR CONNECTOR 

    OK: Go to next step 

  8. CHECK HARNESS AND CONNECTOR (EFI RELAY - ECM) 
    1. Remove the integration relay from the engine room No 2 relay block
    2. Disconnect the ECM connector
    3. Measure the resistance according to the value(s) in the table below

      Standard Resistance 

      TESTER CONNECTION SPECIFIED CONDITION CHART

      Tester Connection Condition Specified Condition
      2A-8 - A6-2 (+B) Always Below 1 Ω
      2A-8 - A6-1 (+B2) Always Below 1 Ω
    4. Reinstall the integration relay.
    5. Reconnect the ECM connector
    6. Fig 8: Identifying Integration Relay From Engine Room No 2 Relay Block And ECM Connector A6
      G05751797Courtesy of © TOYOTA, LICENSE AGREEMENT TMS1002

    NG: REPAIR OR REPLACE HARNESS OR CONNECTOR (EFI RELAY - ECM) 

    OK: REPAIR OR REPLACE HARNESS OR CONNECTOR (BATTERY - INTEGRATION RELAY) 

  9. CHECK FUSE (IGN FUSE) 
    1. Remove the IGN fuse from the cowl side junction block RH
    2. Measure the resistance according to the value(s) in the table below

      Standard Resistance 

      TESTER CONNECTION SPECIFIED CONDITION CHART

      Tester Connection Condition Specified Condition
      IGN fuse Always Below 1 Ω
    3. Reinstall the fuse.
    4. Fig 9: Identifying IGN Fuse From Cowl Side Junction Block RH
      G05751798Courtesy of © TOYOTA, LICENSE AGREEMENT TMS1002

    NG: CHECK FOR SHORT IN ALL HARNESSES AND CONNECTORS CONNECTED TO FUSE AND REPLACE FUSE 

    OK: Go to next step 

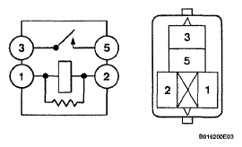
  10. INSPECT IG2 RELAY 
    1. Remove the IG2 relay from the engine room No 2 relay block
    2. Measure the resistance according to the value(s) in the table below

      Standard Resistance 

      TESTER CONNECTION SPECIFIED CONDITION CHART

      Tester Connection Condition Specified Condition
      3 - 5 When no battery voltage applied to terminals 1 and 2 10 kΩ or higher
      3 - 5 When battery voltage applied to terminals 1 and 2 Below 1 Ω
      Fig 10: Identifying IG2 Relay Terminal
      G04967794Courtesy of © TOYOTA, LICENSE AGREEMENT TMS1002
    3. Reinstall the relay.

    NG: REPLACE IGNITION RELAY NO. 2 (IG2) 

    OK: Go to next step 

  11. CHECK HARNESS AND CONNECTOR (ECM - IG2 RELAY) 
    1. Remove the IG2 relay from the engine room No 2 relay block
    2. Disconnect the ECM connector.
    3. Measure the resistance according to the value(s) in the table below

      Standard Resistance (Check for Open) 

      TESTER CONNECTION SPECIFIED CONDITION CHART

      Tester Connection Condition Specified Condition
      IG2 relay (3) - A5-8 (IGSW) Always Below 1 Ω

      Standard Resistance (Check for Short) 

      TESTER CONNECTION SPECIFIED CONDITION CHART

      Tester Connection Condition Specified Condition
      IG2 relay (3) or A5-8 (IGSW) Body ground Always 10 kΩ or higher
    4. Reinstall the IG2 relay
    5. Reconnect the ECM connector
    6. Fig 11: Identifying IG2 Relay From Engine Room No 2 Relay Block And ECM Connector A5
      G05751800Courtesy of © TOYOTA, LICENSE AGREEMENT TMS1002

    NG: REPAIR OR REPLACE HARNESS OR CONNECTOR 

    OK: Go to next step 

  12. CHECK FUSE (IG2 MAIN FUSE) 
    1. Remove the IG2 MAIN fuse the engine room No 1 relay block
    2. Measure the resistance according to the value(s) in the table below

      Standard Resistance 

      TESTER CONNECTION SPECIFIED CONDITION CHART

      Tester Connection Condition Specified Condition
      IG2 MAIN fuse Always Below 1 Ω
    3. Reinstall the IG2 MAIN fuse
      Fig 12: Identifying IG2 Main Fuse Engine Room No 1 Relay Block
      G05751801Courtesy of © TOYOTA, LICENSE AGREEMENT TMS1002

    NG: CHECK FOR SHORT IN ALL HARNESSES AND CONNECTORS CONNECTED TO FUSE AND REPLACE FUSE (IG2 MAIN FUSE) 

    OK: Go to next step 

  13. CHECK HARNESS AND CONNECTOR (IG2 RELAY POWER SOURCE CIRCUIT) 
    1. Remove the IG2 relay from the engine room No 2 relay block
    2. Measure the voltage according to the value(s) in the table below

      Standard Voltage 

      TESTER CONNECTION SPECIFIED CONDITION CHART

      Tester Connection Switch Condition Specified Condition
      IG2 relay (5) - Body ground Always 11 to 14 V
    3. Reinstall the IG2 relay.
    4. Fig 13: Identifying IG2 Relay From Engine Room No 2 Relay Block
      G05751802Courtesy of © TOYOTA, LICENSE AGREEMENT TMS1002

    NG: REPAIR OR REPLACE HARNESS OR CONNECTOR (IG2 RELAY - BATTERY) 

    OK: GO TO SMART ACCESS SYSTEM WITH PUSH-BUTTON START  (See HOW TO PROCEED WITH TROUBLESHOOTING )