LEMON Manuals: Even more car manuals for everyone: 1960-2025
Home >> Lexus >> 2008 >> IS F >> Repair and Diagnosis >> Accessories & Equipment >> Cruise Control Systems >> Cruise Control >> Dynamic Radar Cruise Control System >> Cruise Control Switch Circuit >> Wiring Diagram
April 5, 2026: LEMON Manuals is launched! Read the announcement.

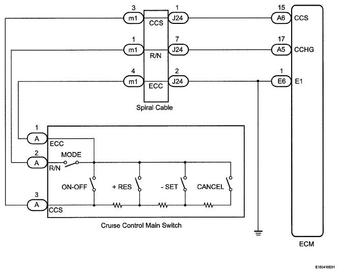
Cruise Control Switch Circuit: Wiring Diagram

Fig 1: Cruise Control Switch - Wiring Diagram
G05750622Courtesy of © TOYOTA, LICENSE AGREEMENT TMS1002