LEMON Manuals: Even more car manuals for everyone: 1960-2025
Home >> Lexus >> 2008 >> IS F >> Repair and Diagnosis >> Electrical >> Body Electrical >> OEM System Circuits >> Power Tilt and Power Telescopic >> Notes
April 5, 2026: LEMON Manuals is launched! Read the announcement.

Power Tilt and Power Telescopic: Notes

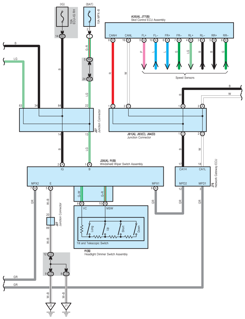
Fig 1: Power Tilt And Power Telescopic - Circuit Diagram (1 Of 6)
G07592388Courtesy of © TOYOTA, LICENSE AGREEMENT TMS1002
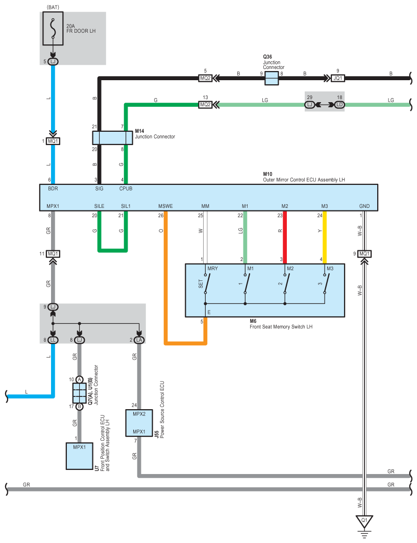
Fig 2: Power Tilt And Power Telescopic - Circuit Diagram (2 Of 6)
G07592389Courtesy of © TOYOTA, LICENSE AGREEMENT TMS1002
Fig 3: Power Tilt And Power Telescopic - Circuit Diagram (3 Of 6)
G07592390Courtesy of © TOYOTA, LICENSE AGREEMENT TMS1002
Fig 4: Power Tilt And Power Telescopic - Circuit Diagram (4 Of 6)
G07592391Courtesy of © TOYOTA, LICENSE AGREEMENT TMS1002
Fig 5: Power Tilt And Power Telescopic - Circuit Diagram (5 Of 6)
G07592392Courtesy of © TOYOTA, LICENSE AGREEMENT TMS1002
Fig 6: Power Tilt And Power Telescopic - Circuit Diagram (6 Of 6)
G07592393Courtesy of © TOYOTA, LICENSE AGREEMENT TMS1002