LEMON Manuals: Even more car manuals for everyone: 1960-2025
Home >> Lexus >> 2008 >> IS F >> Repair and Diagnosis >> Electrical >> Body Electrical >> OEM System Circuits >> Seat Beat Warning >> Notes
April 5, 2026: LEMON Manuals is launched! Read the announcement.

Seat Beat Warning: Notes

Fig 1: Seat Beat Warning - Circuit Diagram (1 Of 3)
G07592405Courtesy of © TOYOTA, LICENSE AGREEMENT TMS1002
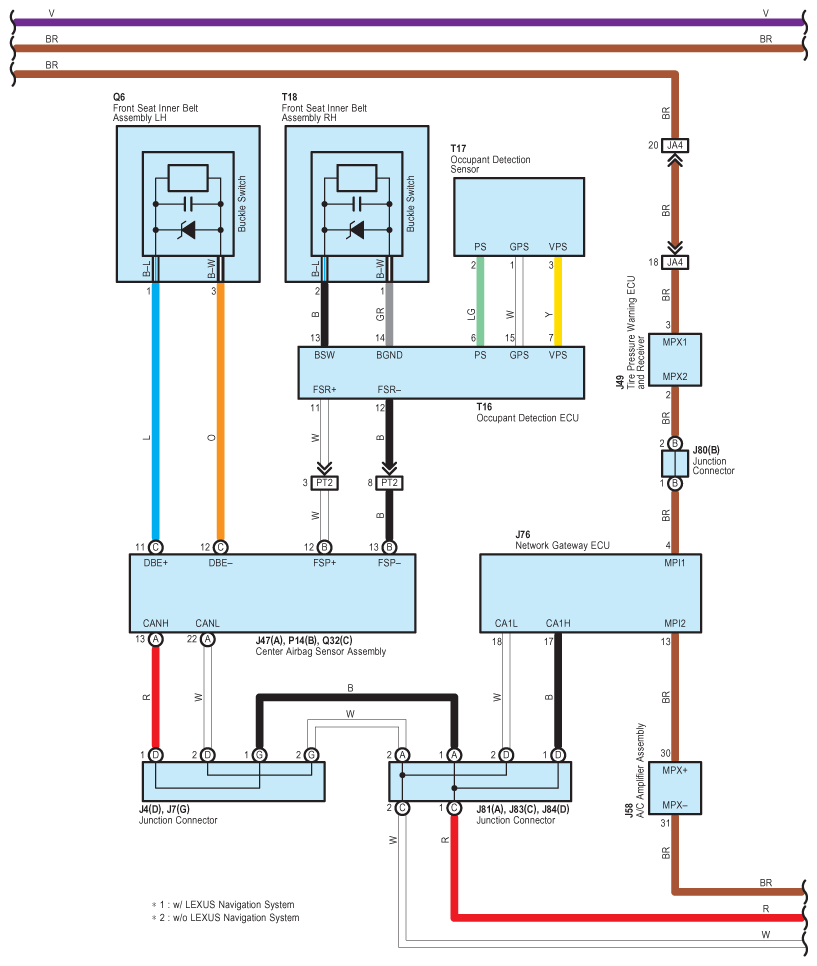
Fig 2: Seat Beat Warning - Circuit Diagram (2 Of 3)
G07592406Courtesy of © TOYOTA, LICENSE AGREEMENT TMS1002
Fig 3: Seat Beat Warning - Circuit Diagram (3 Of 3)
G07592407Courtesy of © TOYOTA, LICENSE AGREEMENT TMS1002