LEMON Manuals: Even more car manuals for everyone: 1960-2025
Home >> Lexus >> 2008 >> IS F >> Repair and Diagnosis >> Engine Performance >> System >> Engine Control System - SFI System Diagnostics Introduction >> SFI System >> System Diagram
April 5, 2026: LEMON Manuals is launched! Read the announcement.

System Diagram

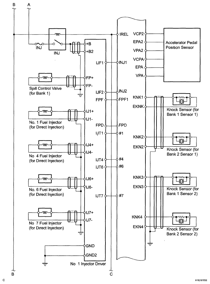
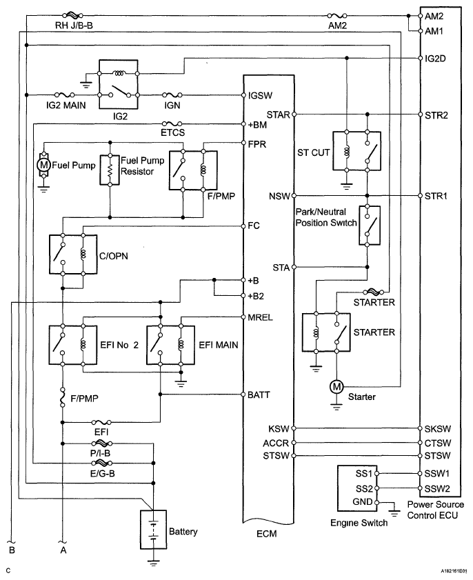
Fig 1: SFI - System Diagram (1 Of 7)
G05751396Courtesy of © TOYOTA, LICENSE AGREEMENT TMS1002
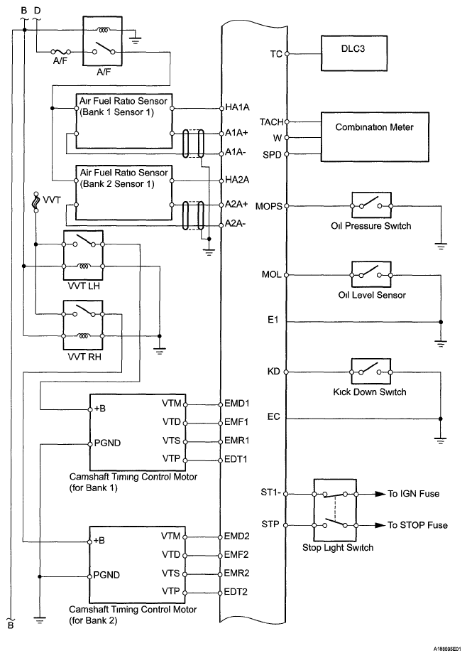
Fig 2: SFI - System Diagram (2 Of 7)
G05751397Courtesy of © TOYOTA, LICENSE AGREEMENT TMS1002
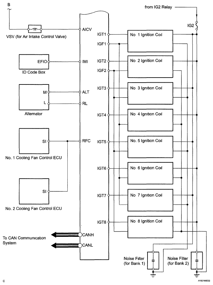
Fig 3: SFI - System Diagram (3 Of 7)
G05751398Courtesy of © TOYOTA, LICENSE AGREEMENT TMS1002
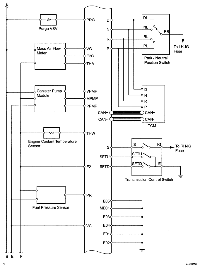
Fig 4: SFI - System Diagram (4 Of 7)
G05751399Courtesy of © TOYOTA, LICENSE AGREEMENT TMS1002
Fig 5: SFI - System Diagram (5 Of 7)
G05751400Courtesy of © TOYOTA, LICENSE AGREEMENT TMS1002
Fig 6: SFI - System Diagram (6 Of 7)
G05751401Courtesy of © TOYOTA, LICENSE AGREEMENT TMS1002
Fig 7: SFI - System Diagram (7 Of 7)
G05751402Courtesy of © TOYOTA, LICENSE AGREEMENT TMS1002