LEMON Manuals: Even more car manuals for everyone: 1960-2025
Home >> Lexus >> 2008 >> LS 460 >> Repair and Diagnosis >> Body & Frame >> Windows >> Windshield/WINDOWGLASS >> Window Defogger System >> Rear Window Defogger System Does Not Operate >> Wiring Diagram
April 5, 2026: LEMON Manuals is launched! Read the announcement.

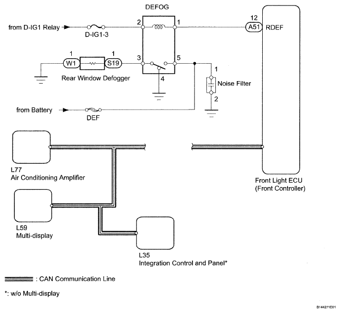
Rear Window Defogger System Does Not Operate: Wiring Diagram

Fig 1: Identifying Rear Window Defogger System - Wiring Diagram
G04952244Courtesy of © TOYOTA, LICENSE AGREEMENT TMS1002