LEMON Manuals: Even more car manuals for everyone: 1960-2025
Home >> Lexus >> 2008 >> LS 460L >> Repair and Diagnosis >> Electrical >> Body Electrical >> OEM System Circuits >> Advanced Parking Guidance System >> Notes
April 5, 2026: LEMON Manuals is launched! Read the announcement.

Advanced Parking Guidance System: Notes

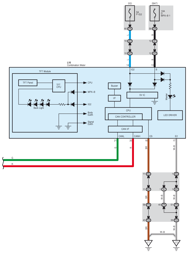
Fig 1: Advanced Parking Guidance System - Circuit Diagram (1 Of 10)
G07598458Courtesy of © TOYOTA, LICENSE AGREEMENT TMS1002
Fig 2: Advanced Parking Guidance System - Circuit Diagram (2 Of 10)
G07598459Courtesy of © TOYOTA, LICENSE AGREEMENT TMS1002
Fig 3: Advanced Parking Guidance System - Circuit Diagram (3 Of 10)
G07598460Courtesy of © TOYOTA, LICENSE AGREEMENT TMS1002
Fig 4: Advanced Parking Guidance System - Circuit Diagram (4 Of 10)
G07598461Courtesy of © TOYOTA, LICENSE AGREEMENT TMS1002
Fig 5: Advanced Parking Guidance System - Circuit Diagram (5 Of 10)
G07598462Courtesy of © TOYOTA, LICENSE AGREEMENT TMS1002
Fig 6: Advanced Parking Guidance System - Circuit Diagram (6 Of 10)
G07598463Courtesy of © TOYOTA, LICENSE AGREEMENT TMS1002
Fig 7: Advanced Parking Guidance System - Circuit Diagram (7 Of 10)
G07598464Courtesy of © TOYOTA, LICENSE AGREEMENT TMS1002
Fig 8: Advanced Parking Guidance System - Circuit Diagram (8 Of 10)
G07598465Courtesy of © TOYOTA, LICENSE AGREEMENT TMS1002
Fig 9: Advanced Parking Guidance System - Circuit Diagram (9 Of 10)
G07598466Courtesy of © TOYOTA, LICENSE AGREEMENT TMS1002
Fig 10: Advanced Parking Guidance System - Circuit Diagram (10 Of 10)
G07598467Courtesy of © TOYOTA, LICENSE AGREEMENT TMS1002