LEMON Manuals: Even more car manuals for everyone: 1960-2025
Home >> Lexus >> 2008 >> LS 460L >> Repair and Diagnosis >> Electrical >> Body Electrical >> OEM System Circuits >> ECT and A/T Indicator >> Notes
April 5, 2026: LEMON Manuals is launched! Read the announcement.

ECT and A/T Indicator: Notes

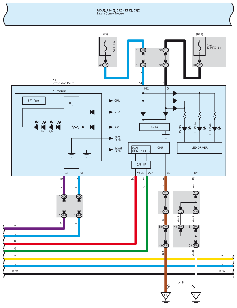
Fig 1: ECT And A/T Indicator - Circuit Diagram (1 Of 12)
G07598252Courtesy of © TOYOTA, LICENSE AGREEMENT TMS1002
Fig 2: ECT And A/T Indicator - Circuit Diagram (2 Of 12)
G07598253Courtesy of © TOYOTA, LICENSE AGREEMENT TMS1002
Fig 3: ECT And A/T Indicator - Circuit Diagram (3 Of 12)
G07598254Courtesy of © TOYOTA, LICENSE AGREEMENT TMS1002
Fig 4: ECT And A/T Indicator - Circuit Diagram (4 Of 12)
G07598255Courtesy of © TOYOTA, LICENSE AGREEMENT TMS1002
Fig 5: ECT And A/T Indicator - Circuit Diagram (5 Of 12)
G07598256Courtesy of © TOYOTA, LICENSE AGREEMENT TMS1002
Fig 6: ECT And A/T Indicator - Circuit Diagram (6 Of 12)
G07598257Courtesy of © TOYOTA, LICENSE AGREEMENT TMS1002
Fig 7: ECT And A/T Indicator - Circuit Diagram (7 Of 12)
G07598258Courtesy of © TOYOTA, LICENSE AGREEMENT TMS1002
Fig 8: ECT And A/T Indicator - Circuit Diagram (8 Of 12)
G07598259Courtesy of © TOYOTA, LICENSE AGREEMENT TMS1002
Fig 9: ECT And A/T Indicator - Circuit Diagram (9 Of 12)
G07598260Courtesy of © TOYOTA, LICENSE AGREEMENT TMS1002
Fig 10: ECT And A/T Indicator - Circuit Diagram (10 Of 12)
G07598261Courtesy of © TOYOTA, LICENSE AGREEMENT TMS1002
Fig 11: ECT And A/T Indicator - Circuit Diagram (11 Of 12)
G07598262Courtesy of © TOYOTA, LICENSE AGREEMENT TMS1002
Fig 12: ECT And A/T Indicator - Circuit Diagram (12 Of 12)
G07598263Courtesy of © TOYOTA, LICENSE AGREEMENT TMS1002