LEMON Manuals: Even more car manuals for everyone: 1960-2025
Home >> Lexus >> 2008 >> LS 460L >> Repair and Diagnosis >> Electrical >> Body Electrical >> OEM System Circuits >> Electric Parking Brake >> Notes
April 5, 2026: LEMON Manuals is launched! Read the announcement.

Electric Parking Brake: Notes

Fig 1: Electric Parking Brake - Circuit Diagram (1 Of 5)
G07598326Courtesy of © TOYOTA, LICENSE AGREEMENT TMS1002
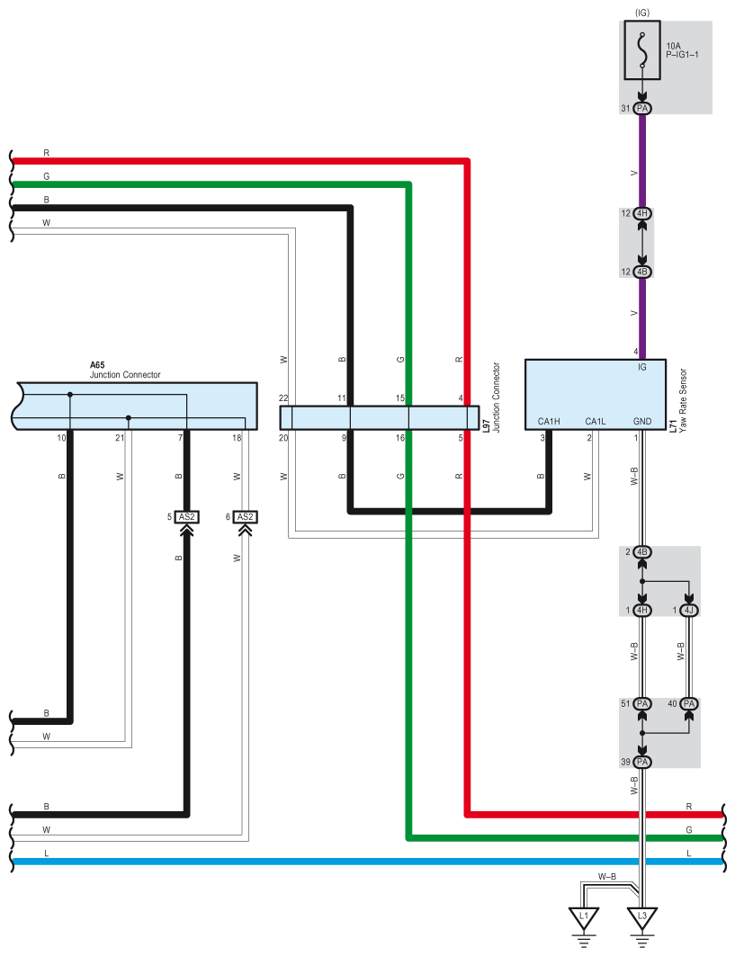
Fig 2: Electric Parking Brake - Circuit Diagram (2 Of 5)
G07598327Courtesy of © TOYOTA, LICENSE AGREEMENT TMS1002
Fig 3: Electric Parking Brake - Circuit Diagram (3 Of 5)
G07598328Courtesy of © TOYOTA, LICENSE AGREEMENT TMS1002
Fig 4: Electric Parking Brake - Circuit Diagram (4 Of 5)
G07598329Courtesy of © TOYOTA, LICENSE AGREEMENT TMS1002
Fig 5: Electric Parking Brake - Circuit Diagram (5 Of 5)
G07598330Courtesy of © TOYOTA, LICENSE AGREEMENT TMS1002