LEMON Manuals: Even more car manuals for everyone: 1960-2025
Home >> Lexus >> 2008 >> LS 460L >> Repair and Diagnosis >> Electrical >> Body Electrical >> OEM System Circuits >> Power Outlet - 115V >> Notes
April 5, 2026: LEMON Manuals is launched! Read the announcement.

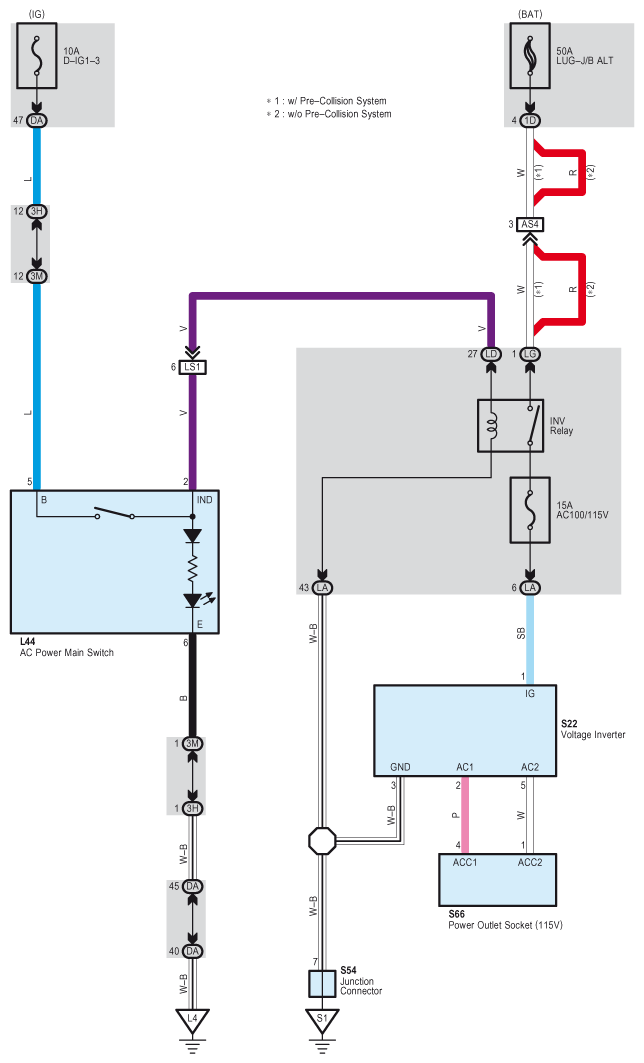
Power Outlet - 115V: Notes

Fig 1: Power Outlet - 115V - Circuit Diagram
G07598429Courtesy of © TOYOTA, LICENSE AGREEMENT TMS1002