LEMON Manuals: Even more car manuals for everyone: 1960-2025
Home >> Lexus >> 2008 >> LS 600hL >> Repair and Diagnosis >> Electrical >> Body Electrical >> OEM System Circuits >> Air Suspension >> Notes
April 5, 2026: LEMON Manuals is launched! Read the announcement.

Air Suspension: Notes

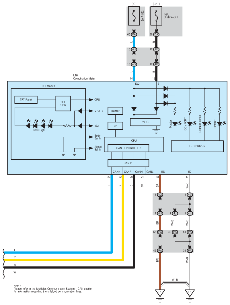
Fig 1: Air Suspension - Circuit Diagram (1 Of 9)
G07592954Courtesy of © TOYOTA, LICENSE AGREEMENT TMS1002
Fig 2: Air Suspension - Circuit Diagram (2 Of 9)
G07592955Courtesy of © TOYOTA, LICENSE AGREEMENT TMS1002
Fig 3: Air Suspension - Circuit Diagram (3 Of 9)
G07592956Courtesy of © TOYOTA, LICENSE AGREEMENT TMS1002
Fig 4: Air Suspension - Circuit Diagram (4 Of 9)
G07592957Courtesy of © TOYOTA, LICENSE AGREEMENT TMS1002
Fig 5: Air Suspension - Circuit Diagram (5 Of 9)
G07592958Courtesy of © TOYOTA, LICENSE AGREEMENT TMS1002
Fig 6: Air Suspension - Circuit Diagram (6 Of 9)
G07592959Courtesy of © TOYOTA, LICENSE AGREEMENT TMS1002
Fig 7: Air Suspension - Circuit Diagram (7 Of 9)
G07592960Courtesy of © TOYOTA, LICENSE AGREEMENT TMS1002
Fig 8: Air Suspension - Circuit Diagram (8 Of 9)
G07592961Courtesy of © TOYOTA, LICENSE AGREEMENT TMS1002
Fig 9: Air Suspension - Circuit Diagram (9 Of 9)
G07592962Courtesy of © TOYOTA, LICENSE AGREEMENT TMS1002