LEMON Manuals: Even more car manuals for everyone: 1960-2025
Home >> Lexus >> 2008 >> LS 600hL >> Repair and Diagnosis >> Electrical >> Body Electrical >> OEM System Circuits >> Wiper and Washer >> Notes
April 5, 2026: LEMON Manuals is launched! Read the announcement.

Wiper and Washer: Notes

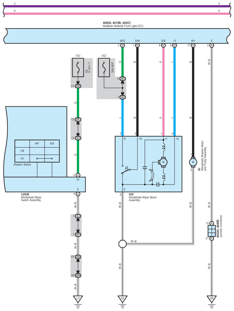
Fig 1: Wiper And Washer - Circuit Diagram (1 Of 4)
G07592888Courtesy of © TOYOTA, LICENSE AGREEMENT TMS1002
Fig 2: Wiper And Washer - Circuit Diagram (2 Of 4)
G07592889Courtesy of © TOYOTA, LICENSE AGREEMENT TMS1002
Fig 3: Wiper And Washer - Circuit Diagram (3 Of 4)
G07592890Courtesy of © TOYOTA, LICENSE AGREEMENT TMS1002
Fig 4: Wiper And Washer - Circuit Diagram (4 Of 4)
G07592891Courtesy of © TOYOTA, LICENSE AGREEMENT TMS1002