LEMON Manuals: Even more car manuals for everyone: 1960-2025
Home >> Lexus >> 2008 >> LS 600hL >> Repair and Diagnosis >> Engine Performance >> Engine Control Systems >> Engine Control System - Circuit Tests, Component Removal, Inspection & Installation >> VVT Relay >> On-Vehicle Inspection
April 5, 2026: LEMON Manuals is launched! Read the announcement.

On-Vehicle Inspection

  1. REMOVE VVT RELAY (VVT RH, VVT LH) 
    1. Remove the VVT relay from the engine room No. 2 relay block.
  2. INSPECT VVT RELAY 
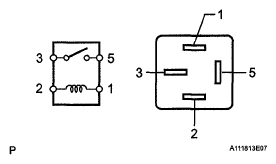
    1. Measure the resistance according to the value (s) in the table below.

      Standard resistance 

      STANDARD RESISTANCE

      Tester Connection Condition Specified Condition
      3 - 5 When no battery voltage is applied to terminals 1 and 2 10 kΩ or higher
      3 - 5 When battery voltage is applied to terminals 1 and 2 Below 1 Ω
      Fig 1: Identifying VVT Relay Terminals
      G05771283Courtesy of © TOYOTA, LICENSE AGREEMENT TMS1002

      If the result is not as specified, replace the relay

  3. INSTALL VVT RELAY