LEMON Manuals: Even more car manuals for everyone: 1960-2025
Home >> Lexus >> 2008 >> LS 600hL >> Repair and Diagnosis >> Engine Performance >> Fuel Delivery >> Fuel >> Fuel System >> System Diagram
April 5, 2026: LEMON Manuals is launched! Read the announcement.

System Diagram

  1. FUEL FLOW DIAGRAM 
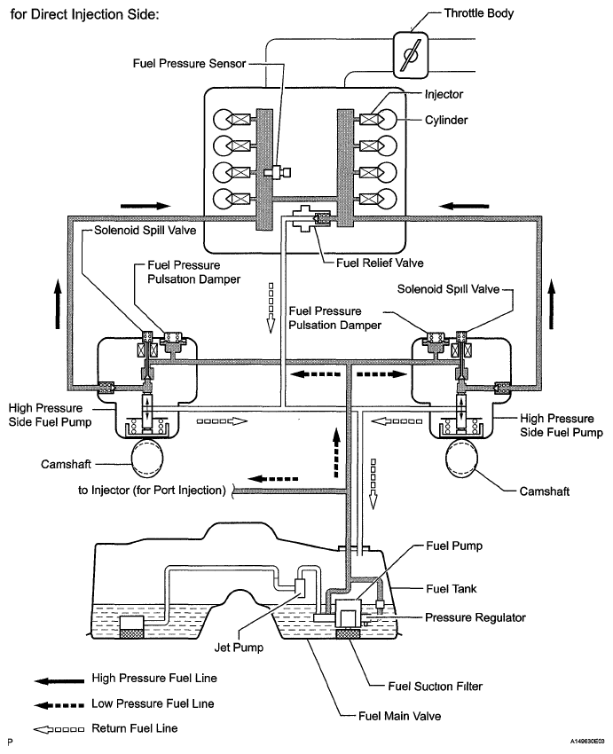
    Fig 1: Fuel System Flow Diagram (For Direct Injection Side)
    G05772841Courtesy of © TOYOTA, LICENSE AGREEMENT TMS1002
    Fig 2: Fuel System Flow Diagram (For Port Injection Side)
    G05772842Courtesy of © TOYOTA, LICENSE AGREEMENT TMS1002
  2. ELECTRICAL CONTROL DIAGRAM 
    Fig 3: Electrical Control Diagram
    G04947852Courtesy of © TOYOTA, LICENSE AGREEMENT TMS1002
  3. HIGH PRESSURE SIDE (DIRECT INJECTION SIDE) FUEL SYSTEM WIRING DIAGRAM 
    Fig 4: High Pressure Side Fuel System Wiring Diagram (1 Of 3)
    G05772844Courtesy of © TOYOTA, LICENSE AGREEMENT TMS1002
    Fig 5: High Pressure Side Fuel System Wiring Diagram (2 Of 3)
    G05772845Courtesy of © TOYOTA, LICENSE AGREEMENT TMS1002
    Fig 6: High Pressure Side Fuel System Wiring Diagram (3 Of 3)
    G05772846Courtesy of © TOYOTA, LICENSE AGREEMENT TMS1002
  4. PORT INJECTION SIDE FUEL SYSTEM WIRING DIAGRAM 
    Fig 7: Port Injection Side Fuel System Wiring Diagram
    G05772847Courtesy of © TOYOTA, LICENSE AGREEMENT TMS1002
  5. FUEL PRESSURE SENSOR WIRING DIAGRAM 
    Fig 8: Fuel Pressure Sensor Wiring Diagram
    G04942749Courtesy of © TOYOTA, LICENSE AGREEMENT TMS1002
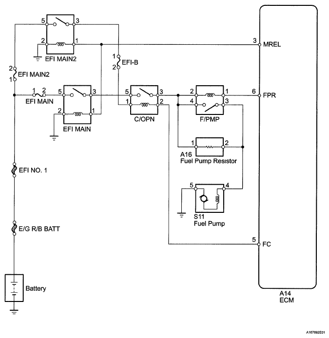
  6. LOW PRESSURE SIDE FUEL SYSTEM WIRING DIAGRAM 
    Fig 9: Low Pressure Side Fuel System Wiring Diagram
    G05772849Courtesy of © TOYOTA, LICENSE AGREEMENT TMS1002
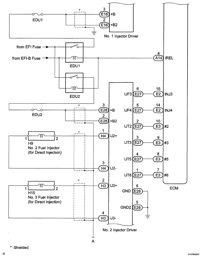
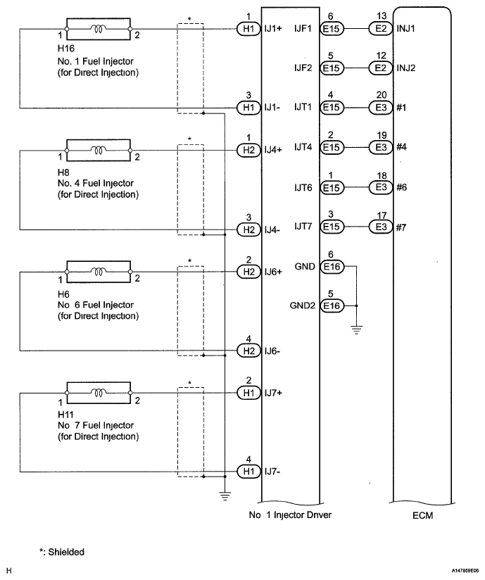
  7. INJECTOR DRIVER WIRING DIAGRAM 
    Fig 10: Injector Driver Wiring Diagram
    G05772850Courtesy of © TOYOTA, LICENSE AGREEMENT TMS1002
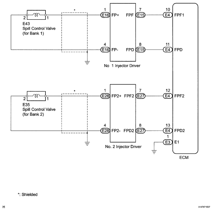
  8. FUEL RELIEF VALVE 
    Fig 11: Fuel Relief Valve - Wiring Diagram
    G05772851Courtesy of © TOYOTA, LICENSE AGREEMENT TMS1002