LEMON Manuals: Even more car manuals for everyone: 1960-2025
Home >> Lexus >> 2008 >> LX 570 >> Repair and Diagnosis (Single Page) >> Electrical >> Body Electrical >> OEM System Circuits >> Power Source >> Notes
April 5, 2026: LEMON Manuals is launched! Read the announcement.

Power Source: Notes

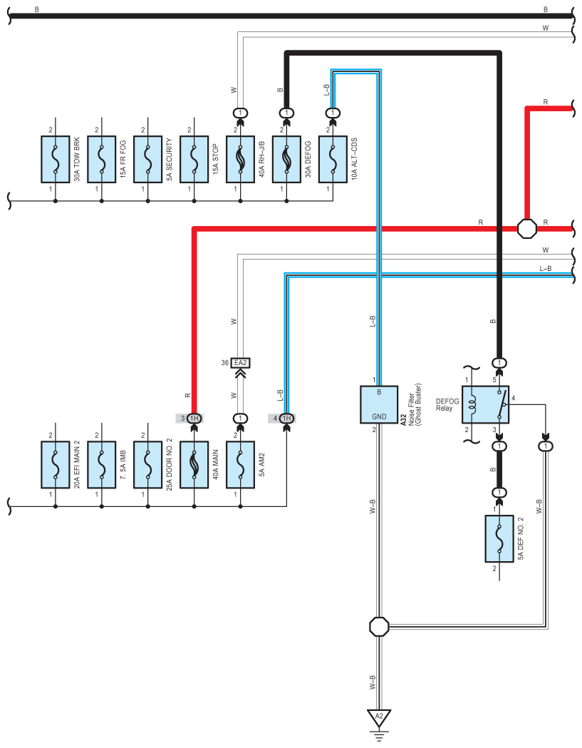
Fig 1: Power Source - Circuit Diagram (1 Of 6)
G07596753Courtesy of © TOYOTA, LICENSE AGREEMENT TMS1002
Fig 2: Power Source - Circuit Diagram (2 Of 6)
G07596754Courtesy of © TOYOTA, LICENSE AGREEMENT TMS1002
Fig 3: Power Source - Circuit Diagram (3 Of 6)
G07596755Courtesy of © TOYOTA, LICENSE AGREEMENT TMS1002
Fig 4: Power Source - Circuit Diagram (4 Of 6)
G07596756Courtesy of © TOYOTA, LICENSE AGREEMENT TMS1002
Fig 5: Power Source - Circuit Diagram (5 Of 6)
G07596757Courtesy of © TOYOTA, LICENSE AGREEMENT TMS1002
Fig 6: Power Source - Circuit Diagram (6 Of 6)
G07596758Courtesy of © TOYOTA, LICENSE AGREEMENT TMS1002