LEMON Manuals: Even more car manuals for everyone: 1960-2025
Home >> Lexus >> 2008 >> LX 570 >> Repair and Diagnosis >> Accessories & Equipment >> Infotainment >> Navigation >> Navigation System >> Display and Navigation Assembly Communication Error >> Wiring Diagram
April 5, 2026: LEMON Manuals is launched! Read the announcement.

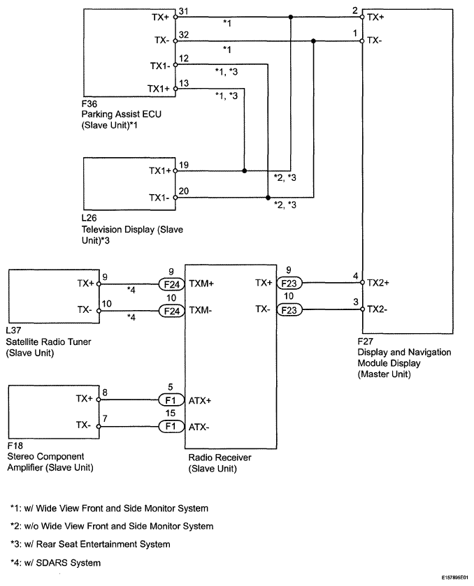
Display and Navigation Assembly Communication Error: Wiring Diagram

Fig 1: Display And Navigation Assembly Communication Error - Wiring Diagram
G05763307Courtesy of © TOYOTA, LICENSE AGREEMENT TMS1002