LEMON Manuals: Even more car manuals for everyone: 1960-2025
Home >> Lexus >> 2008 >> LX 570 >> Repair and Diagnosis >> Electrical >> Body Electrical >> OEM System Circuits >> Automatic Light Control and Light Auto Turn Off System >> Notes
April 5, 2026: LEMON Manuals is launched! Read the announcement.

Automatic Light Control and Light Auto Turn Off System: Notes

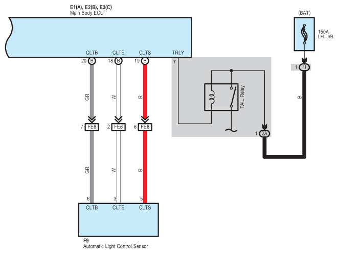
Fig 1: Automatic Light Control And Light Auto Turn Off System - Circuit Diagram (1 Of 5)
G07596935Courtesy of © TOYOTA, LICENSE AGREEMENT TMS1002
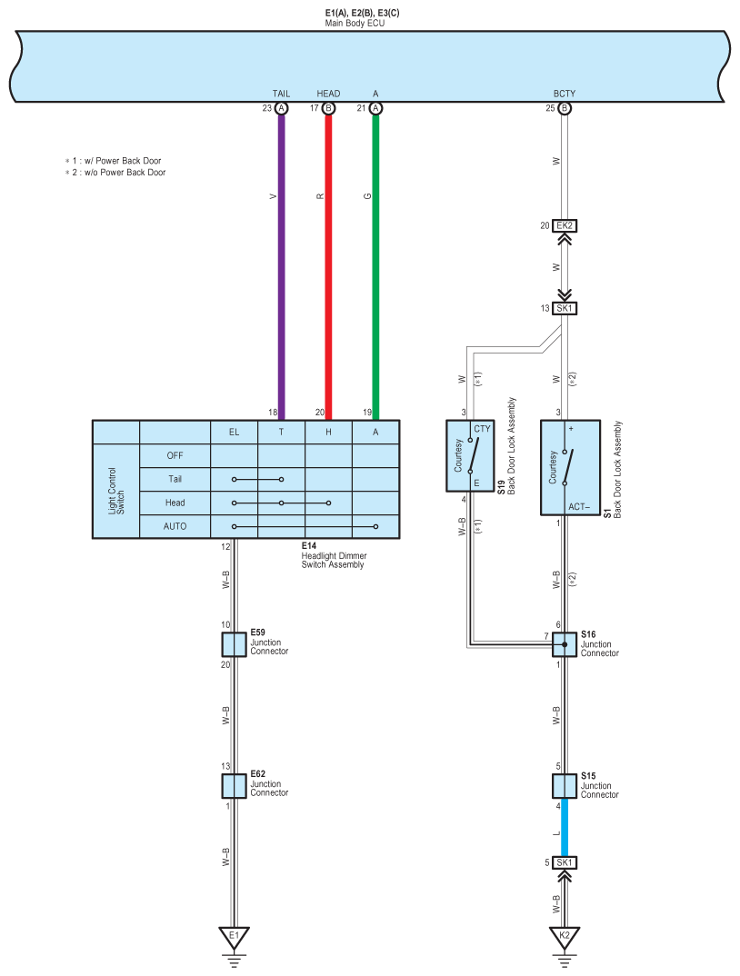
Fig 2: Automatic Light Control And Light Auto Turn Off System - Circuit Diagram (2 Of 5)
G07596936Courtesy of © TOYOTA, LICENSE AGREEMENT TMS1002
Fig 3: Automatic Light Control And Light Auto Turn Off System - Circuit Diagram (3 Of 5)
G07596937Courtesy of © TOYOTA, LICENSE AGREEMENT TMS1002
Fig 4: Automatic Light Control And Light Auto Turn Off System - Circuit Diagram (4 Of 5)
G07596938Courtesy of © TOYOTA, LICENSE AGREEMENT TMS1002
Fig 5: Automatic Light Control And Light Auto Turn Off System - Circuit Diagram (5 Of 5)
G07596939Courtesy of © TOYOTA, LICENSE AGREEMENT TMS1002